FORMSTÜCKE UND VERBINDUNGEN AUS UP-GF
NACH DIN 16 966





Formstücke aus glasfaserverstärkten Polyesterharzen werden nach DIN 16966 Teil 2, Teil 4 und Teil 5 gefertigt. Die Basis sind ungesättigte Polyesterharze, sog. UP-Harz, die sich hervorragend für den schweren Chemieeinsatz bei Über- und Unterdruck eignen.

Glasfaserverstärkter Kunststoff (GFK) auf der Basis ungesättigter Polyesterharze, einschließlich der Phenacrylatharze, ist naturfarben und kann je nach Anwendung und Einsatz eingefärbt werden. Grundsätzlich ist der Werkstoff brennbar, durch Beigabe entsprechender Zuschlagsstoffe kann bei der Herstellung der Zustand „schwer entflammbar“ oder „selbstlöschend“ hergestellt werden. Durch Zugabe von Graphit kann der Werkstoff leitfähig gestaltet werden.

Kwerk GmbH liefert Linerwerkstoffe für Rohre und Formstücke entsprechend der einschlägigen Norm DIN 16965 Teil 2/ Rohrtyp B.

Unsere neue Produktreihe:



Zu unserem Lieferprogramm gehören:

- Liner GFK-PVC U weichmacherfreies Polyvinylclorid nach DIN 8061, Farbe grau
- Liner GFK-PVC U weichmacherfreies Polyvinylclorid nach DIN 8061, Farbe rot
- Liner PVC C nachchloriertes Polyvinylclorid nach DIN 8080
- Liner GFK-PE-HD Polyethylen hoher Dichte nach DIN 8075
- Liner GFK-PP Polypropylen nach DIN 8078
- Liner PVDF Polyvinylidenfluorid


Unsere Formstücke aus UP-GF sind frei von Fehlstellen wie Lufteinschlüssen und Rissen. Über die gesamte Baulänge ist der Laminataufbau nach DIN 16966 garantiert.
Grundsätzlich können andere Ausführungen im UP-GF Laminataufbau auf Anfrage vereinbart werden. Alle Dichtflächen und Nahtstellen werden bei der Fertigung mit UP-GF mit einer Laminatschicht versehen.

Weitere technische Detailinformationen finden Sie hier

 

Die DIN 16 966 regelt die spezifische Ausführungen, die Beschaffenheit und Prüfung von UP-GF Formstücken. Hierzu gehört insbesondere

- Unterdruckbelastbarkeit
- Schichtaufbau und Glasgehalt
- Styrolgehalt
- Oberflächenbeschaffenheit
- Verhalten gegenüber Chemikalien
- Haft- und Steifigkeit
- Hygienische und toxikologische Eignung
- Brandverhalten
- Abmessungen
- Prüfung
- Kurzzeit Innendruckversuche

Unser Team, mit fast 40 Jahren Berufserfahrung im Bereich der Fertigung und dem Einsatz von UP-GF Formstücken und Verbindungen, steht Ihnen für weitere Fragen jederzeit zur Verfügung. Rufen sie einfach an: 0049 2602 999730.



LIEFERPROGRAMM

DN 25 - DN 1000





BOGEN 90° AUS UP-GF, FÜR ROHR TYP D





 
 
 






 



Die Bögen werden mit den Rohren des entsprechenden Rohrtyps, oder mit anderen Formstücken durch Flanschverbindungen oder Laminatverbindungen verbunden.

Produktbezeichnung UP-GF (Rein GFK):
Bogen 90°, entsprechend Rohrtyp D, Form E1, Nennweite DN 100 und Nenndruck PN 10, mit Laminatenden der Form L

BOGEN DIN 16 966 - E1 D 100 - 10 L


Verbundwerkstoffe / Liner:
Kwerk GmbH liefert auch Linerwerkstoffe (Verbundwerkstoffe) für Rohre und Formstücke entsprechend der einschlägigen Norm DIN 16965 Teil 2/ Rohrtyp B.

Zu unserem Lieferprogramm gehören:

- Liner GFK-PVC U weichmacherfreies Polyvinylclorid nach DIN 8061, Farbe grau
- Liner GFK-PVC U weichmacherfreies Polyvinylclorid nach DIN 8061, Farbe rot
- Liner PVC C nachchloriertes Polyvinylclorid nach DIN 8080
- Liner GFK-PE-HD Polyethylen hoher Dichte nach DIN 8075
- Liner GFK-PP Polypropylen nach DIN 8078
- Liner PVDF Polyvinylidenfluorid

Sie können den Bogen 90° aus GFK, auch online in unserem Webshop einkaufen




Nennweite
DN
Formstück Innendurchmesser
Rohrtyp D

d2
Formstück Innendurchmesser
Rohrtyp B

d2
Baulänge
e
25 25 32 110
(32) 32 40 130
40 40 50 150
50 50 63 180
65 65 75 140
80 80 90 165
100 100 110 205
(125) 125 125 245
150 150 160 285
200 200 200 365
250 250 250 450
300 300 300 525
350 250 355 600
400 400 400 680
500 500 500 830
600 600 600 950
700 700 710 1100
800 800 800 1250
900 900 900 1400
1000 1000 1000 1500
 
Abmessungen entsprechen der DIN 16 966, Teil 2
Alle Maße in mm
d 2 entspricht beim Rohrtyp B dem Außendurchmesser der Auskleidung
Werkstoff: ungesättigtes Polyesterharz und Textilglas wie in DIN 16 966, Teil 1 festgelegt
Drücke sind Überdrücke in bar








BOGEN 45° AUS UP-GF, FÜR ROHR TYP D



 
 
 






 


Die Bögen werden mit den Rohren des entsprechenden Rohrtyps, oder mit anderen Formstücken durch Flanschverbindungen oder Laminatverbindungen verbunden.

Produktbezeichnung UP-GF (Rein GFK):
Bogen 45°, entsprechend Rohrtyp D, Form E2, Nennweite DN 100 und Nenndruck PN 10, mit Laminatenden der Form L

BOGEN DIN 16 966 - E2 D 100 - 10 L


Verbundwerkstoffe / Liner:
Kwerk GmbH liefert auch Linerwerkstoffe (Verbundwerkstoffe) für Rohre und Formstücke entsprechend der einschlägigen Norm DIN 16965 Teil 2/ Rohrtyp B.

Zu unserem Lieferprogramm gehören:

- Liner GFK-PVC U weichmacherfreies Polyvinylclorid nach DIN 8061, Farbe grau
- Liner GFK-PVC U weichmacherfreies Polyvinylclorid nach DIN 8061, Farbe rot
- Liner PVC C nachchloriertes Polyvinylclorid nach DIN 8080
- Liner GFK-PE-HD Polyethylen hoher Dichte nach DIN 8075
- Liner GFK-PP Polypropylen nach DIN 8078
- Liner PVDF Polyvinylidenfluorid

Sie können den Bogen 45° aus GFK, auch online in unserem Webshop einkaufen



Nennweite
DN
Formstück Innendurchmesser
Rohrtyp D

d2
Formstück Innendurchmesser
Rohrtyp B

d2
Baulänge
e
25 25 32 70
(32) 32 40 80
40 40 50 90
50 50 63 105
65 65 75 85
80 80 90 100
100 100 110 115
(125) 125 125 135
150 150 160 150
200 200 200 190
250 250 250 225
300 300 300 260
350 250 355 290
400 400 400 325
500 500 500 390
600 600 600 430
700 700 710 490
800 800 800 545
900 900 900 605
1000 1000 1000 660
 
Abmessungen entsprechen der DIN 16 966, Teil 2
Alle Maße in mm
d 2 entspricht beim Rohrtyp B dem Außendurchmesser der Auskleidung
Werkstoff: ungesättigtes Polyesterharz und Textilglas wie in DIN 16 966, Teil 1 festgelegt
Drücke sind Überdrücke in bar







T-STÜCK 90° AUS UP-GF, FÜR ROHR TYP D





 
 
 






 


T-Stücke werden mit den Rohren des entsprechenden Rohrtyps, oder mit anderen Formstücken durch Flanschverbindungen oder Laminatverbindungen verbunden.

Produktbezeichnung UP-GF (Rein GFK):
T-Stück 90°, entsprechend Rohrtyp D, Form T1, Nennweite DN 100 und Nenndruck PN 10, mit Laminatenden der Form L

T-Stück DIN 16 966 - T1 D 100 - 10 L


Verbundwerkstoffe / Liner:
Kwerk GmbH liefert auch Linerwerkstoffe (Verbundwerkstoffe) für Rohre und Formstücke entsprechend der einschlägigen Norm DIN 16965 Teil 2/ Rohrtyp B.

Zu unserem Lieferprogramm gehören:

- Liner GFK-PVC U weichmacherfreies Polyvinylclorid nach DIN 8061, Farbe grau
- Liner GFK-PVC U weichmacherfreies Polyvinylclorid nach DIN 8061, Farbe rot
- Liner PVC C nachchloriertes Polyvinylclorid nach DIN 8080
- Liner GFK-PE-HD Polyethylen hoher Dichte nach DIN 8075
- Liner GFK-PP Polypropylen nach DIN 8078
- Liner PVDF Polyvinylidenfluorid

Sie können das T-Stück 90° aus GFK, auch online in unserem Webshop einkaufen




Nennweite
DN
Formstück
Innendurchmesser
Rohrtyp D

d2
Formstück
Innendurchmesser
Rohrtyp D

d2
Baulänge
e
25 25 32 110
(32) 32 40 130
40 40 50 150
50 50 63 180
65 65 75 140
80 80 90 165
100 100 110 205
(125) 125 125 245
150 150 160 285
200 200 200 365
250 250 250 450
300 300 300 535
350 350 355 600
400 400 400 680
500 500 500 830
600 600 600 950
700 700 710 1100
800 800 800 1250
900 900 900 1400
1000 1000 1000 150
 
Abmessungen entsprechen der DIN 16 966, Teil 4
Alle Maße in mm
d 2 entspricht beim Rohrtyp B dem Außendurchmesser der Auskleidung
Werkstoff: ungesättigtes Polyesterharz und Textilglas wie in DIN 16 966, Teil 1 festgelegt
Drücke sind Überdrücke in bar




T-STÜCK 90° MIT REDUZIERTEM ABZWEIG AUS UP-GF, FÜR ROHR TYP D





 
 
 





 



T-Stücke mit reduziertem Abzweig, werden mit den Rohren des entsprechenden Rohrtyps, oder mit anderen Formstücken durch Flanschverbindungen oder Laminatverbindungen verbunden.

Produktbezeichnung UP-GF (Rein GFK):
T-Stück 90° mit reduziertem Abgang, entsprechend Rohrtyp D, Durchgangsnennweite DN1 =100 und Abzweig Nennweite DN2 = 80, für Laminatverbindung der Form L


T-Stück DIN 16 966 - T2 D 100 X 80 L

Verbundwerkstoffe / Liner:
Kwerk GmbH liefert auch Linerwerkstoffe (Verbundwerkstoffe) für Rohre und Formstücke entsprechend der einschlägigen Norm DIN 16965 Teil 2/ Rohrtyp B.

Zu unserem Lieferprogramm gehören:

- Liner GFK-PVC U weichmacherfreies Polyvinylclorid nach DIN 8061, Farbe grau
- Liner GFK-PVC U weichmacherfreies Polyvinylclorid nach DIN 8061, Farbe rot
- Liner PVC C nachchloriertes Polyvinylclorid nach DIN 8080
- Liner GFK-PE-HD Polyethylen hoher Dichte nach DIN 8075
- Liner GFK-PP Polypropylen nach DIN 8078
- Liner PVDF Polyvinylidenfluorid


Sie können das T-Stück 90° aus GFK mit reduziertem Abgang, auch online in unserem Webshop einkaufen




Durchgang

Abzweig

e 1

e 2

Durchgang

Abzweig

e 1

e 2

DN 1

d 2

DN 2

d 2

DN 1

d 2

DN 2

d 2


Rohrtyp D



Rohrtyp B

(32) 32 25 25 130 170 (32) 40 25 32 130 175
40 40 25
(32)
25
32
150 175 40 50 25
(32)
32
40
150 180
50 50 25
(32)
40
25
(32)
40
180 180 50 63 25
(32)
40
(32)
40
50
180 185
65 65 (32)
40
50
(32)
40
50
140 190 65 75 (32)
40
50
40
50
63
140 195
80 80 40
50
65
40
50
65
165 195 80 90 40
50
65
50
63
75
165 200
100 100 50
65
80
50
65
80
205 205 100 110 50
65
80
63
75
90
205 210
(125) 125 65
80
100
65
80
100
245 270 (125) 125 65
80
100
75
90
110
245 270
150 150 80
100
(125)
80
100
125
285 240
240
290
150 160 80
100
(125)
90
110
125
285 240
240
290
200 200 100
(125)
150
100
(125)
150
365 260
310
310
200 200 100
(125)
150
110
125
160
365 260
310
310
250 250 (125)
150
200
125
150
200
450 340 250 250 (125)
150
200
125
160
200
450 340
300 300 150
200
250
150
200
250
525 360
365
415
300 300 150
200
250
160
200
250
525 360
365
415
350 350 200
250
300
200
250
300
600 395
445
445
300 355 200
250
300
200
250
300
600 395
445
445
400 400 250
300
350
250
300
350
680 470
470
520
400 400 250
300
350
250
300
355
680 470
470
520
500 500 300
350
400
300
350
400
680 535
575
575
500 500 300
350
400
300
355
400
830 525
575
575
600 600 350
400
500
350
400
500
950 620
620
670
600 600 350
400
500
355
400
500
950 620
620
670
700 700 400
500
600
400
500
600
1000 675
725
750
700 710 400
500
600
400
500
600
1100 675
625
750
800 800 500
600
700
500
600
700
1250 775
800
800
800 800 500
600
700
500
600
710
1250 675
725
750
900 900 600
700
800
600
700
800
1400 850 900 900 600
700
800
600
710
800
1400 850
1000 1000 700
800
900
700
800
900
1500 905 1000 1000 700
800
900
710
800
900
1500 905
 
Abmessungen entsprechen der DIN 16 966, Teil 4
Alle Maße in mm
d 2 entspricht beim Rohrtyp B dem Außendurchmesser der Auskleidung
Werkstoff: ungesättigtes Polyesterharz und Textilglas wie in DIN 16 966, Teil 1 festgelegt
Drücke sind Überdrücke in bar





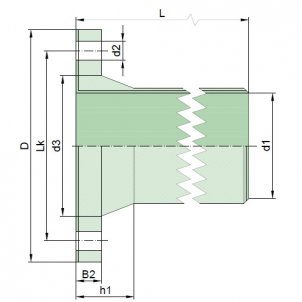
STUTZEN MIT ANGEFORMTEM BUND AUS UP-GF, FÜR ROHR TYP D





 
 
 




 


Stutzen mit angeformtem Bund aus UP-GF (GFK) werden mit den Rohren des entsprechenden Rohrtyps, oder mit anderen Formstücken durch Laminatverbindungen verbunden. Die angeformten Bunde, können bei Bedarf, bereits in der Werkstatt mit allen Rohrlängen kundenspezifisch konfektioniert bzw. kombiniert  werden.

Produktbezeichnung UP-GF (Rein GFK):
Angeformter Bund, entsprechend Rohrtyp D, Form B2, Nennweite DN 100 und Nenndruck PN 10, mit Laminatenden der Form L

Bund DIN 16 966 - B2 D 100 - 10 L


Verbundwerkstoffe:
Kwerk.de liefert auch Linerwerkstoffe (Verbundwerkstoffe) für Rohre und Formstücke entsprechend der einschlägigen Norm DIN 16965 Teil 2/ Rohrtyp B.

Zu unserem Lieferprogramm gehören:

- Liner GFK-PVC U weichmacherfreies Polyvinylclorid nach DIN 8061, Farbe grau
- Liner GFK-PVC U weichmacherfreies Polyvinylclorid nach DIN 8061, Farbe rot
- Liner PVC C nachchloriertes Polyvinylclorid nach DIN 8080
- Liner GFK-PE-HD Polyethylen hoher Dichte nach DIN 8075
- Liner GFK-PP Polypropylen nach DIN 8078
- Liner PVDF Polyvinylidenfluorid


Sie können den Stutzen mit angeformten Bund aus GFK, auch online in unserem Webshop einkaufen


Nennweite
DN
Zul. Betriebs-überdruck
PN

d 4

d 5

b 3

h 2
25 16 68 60 12 30
(32) 16 78 58 14 32
40 16 88 68 14 35
50 16 102 82 14 40
65 10 122 95 15 44
80 10 138 111 16 48
100 10 158 133 18 55
(125) 10 188 160 20 64
150 10 212 188 22 71
200 6 268 237 25 85
250 6 320 293 38 101
300 6 370 343 30 116
350 4 430 387 32 133
400 4 482 441 35 147
500 4 585 544 38 178
600 2,5 685 648 45 209
700 2,5 800 758 53 243
800 2,5 905 858 57 271
900 2,5 1005 960 60 302
1000 2,5 1110 1060 64 332
 
Abmessungen entsprechen der DIN 16 966, Teil 2
Alle Maße in mm
Werkstoff: ungesättigtes Polyesterharz und Textilglas wie in DIN 16 966, Teil 1 festgelegt
Drücke sind Überdrücke in bar






STUTZEN MIT ANGEFORMTEM FESTFLANSCH AUS UP-GF, FÜR ROHR TYP D





 
 
 






 



Angeformte Festflansche aus UP-GF (GFK), werden mit den Rohren des entsprechenden Rohrtyps, oder mit anderen Formstücken durch Flanschverbindungen oder Laminatverbindungen verbunden. Die angeformten Festflansche, können bei Bedarf, bereits in der Werkstatt mit allen Rohrlängen kundenspezifisch konfektioniert bzw. kombiniert  werden.


Produktbezeichnung UP-GF (Rein GFK):
Angeformter Flansch, entsprechend Rohrtyp D, Form V3, Nennweite DN 100 und Nenndruck PN 10, für Rohre des Nenndruckes 2,5 mit Laminatenden der Form L

Festflansch DIN 16 966 - V3 D 100 - 10 - 2,5 L


Verbundwerkstoffe:
Kwerk.de liefert auch Linerwerkstoffe (Verbundwerkstoffe) für Rohre und Formstücke entsprechend der einschlägigen Norm DIN 16965 Teil 2/ Rohrtyp B.

Zu unserem Lieferprogramm gehören:

- Liner GFK-PVC U weichmacherfreies Polyvinylclorid nach DIN 8061, Farbe grau
- Liner GFK-PVC U weichmacherfreies Polyvinylclorid nach DIN 8061, Farbe rot
- Liner PVC C nachchloriertes Polyvinylclorid nach DIN 8080
- Liner GFK-PE-HD Polyethylen hoher Dichte nach DIN 8075
- Liner GFK-PP Polypropylen nach DIN 8078
- Liner PVDF Polyvinylidenfluorid


Sie können den angeformten Festflansch aus GFK, auch online in unserem Webshop einkaufen


Nennweite
DN
Zul. Betriebsüberdruck
PN
D d 2 d 3 Lk b 2 h 1 r 2 r 3 Schrauben
Anzahl
Schrauben
Gewinde
25 16 110 14 50 85 14 30 3 3 4 M 12
(32) 16 140 18 58 100 15 32 3 3 4 M16
40 16 250 18 68 110 16 35 3 3 4 M16
50 16 165 28 82 125 18 40 3 4 4 M16
65 20 285 18 95 145 20 44 3 4 4 M16
80 10 200 18 111 160 22 48 3 4 8 M16
100 10 220 18 133 180 24 55 4 5 8 M16
(125) 10 250 18 160 210 27 64 4 5 8 M16
150 10 285 22 188 240 30 71 4 5 8 M 20
200 6 340 22 245 295 33 80 5 8 8 M 20
250 6 395 22 300 350 37 90 5 8 12 M 20
300 6 445 22 350 400 42 100 5 8 12 M 20
350 4 505 22 410 460 40 95 6 8 16 M 20
400 4 565 26 460 515 44 105 6 8 16 M 24
500 4 670 26 565 620 49 120 6 8 20 M 24
600 2,5 780 30 660 725 49 115 7 8 20 M 27
700 2,5 895 30 780 840 53 125 7 8 24 M 27
800 2,5 1015 33 875 950 57 135 7 8 24 M 30
900 3,5 1115 33 980 1050 60 150 7 8 28 M 30
1000 2,5 1230 36 1080 1160 65 155 7 8 28 M 33
 
Abmessungen entsprechen der DIN 16 966, Teil 6
Flanschanschlußmaße entsprechen DIN 2501 Teil 1, PN 10
Alle Maße in mm
Werkstoff: ungesättigtes Polyesterharz und Textilglas wie in DIN 16 966, Teil 1 festgelegt
Drücke sind Überdrücke in bar




REDUZIERSTÜCK AUS UP-GF - KONZENTRISCH, FÜR ROHR TYP D




 
 
 






 


Reduzierstücke aus UP-GF (GFK), werden mit den Rohren des entsprechenden Rohrtyps, oder mit anderen Formstücken durch Flanschverbindungen oder Laminatverbindungen verbunden.

Produktbezeichnung UP-GF (Rein GFK):
Reduzierstück konzentrisch, entsprechend Rohrtyp D, Form C2, reduziert von Nennweite DN 100 auf Nennweite 80, Nenndruck PN 10, mit glatten Laminatenden der Form L

Reduzierstück DIN 16 966 - C2 D 100 x 80 - 10 L


Verbundwerkstoffe:
Kwerk.de liefert auch Linerwerkstoffe (Verbundwerkstoffe) für Rohre und Formstücke entsprechend der einschlägigen Norm DIN 16965 Teil 2/ Rohrtyp B.

Zu unserem Lieferprogramm gehören:

- Liner GFK-PVC U weichmacherfreies Polyvinylclorid nach DIN 8061, Farbe grau
- Liner GFK-PVC U weichmacherfreies Polyvinylclorid nach DIN 8061, Farbe rot
- Liner PVC C nachchloriertes Polyvinylclorid nach DIN 8080
- Liner GFK-PE-HD Polyethylen hoher Dichte nach DIN 8075
- Liner GFK-PP Polypropylen nach DIN 8078
- Liner PVDF Polyvinylidenfluorid


Sie können das Reduzierstück konzentrisch aus GFK, auch online in unserem Webshop einkaufen



REDUZIERSTÜCK AUS UP-GF - EXZENTRISCH, FÜR ROHR TYP D



 
 
 



 


Reduzierstück aus UP-GF (GFK), werden mit den Rohren des entsprechenden Rohrtyps, oder mit anderen Formstücken durch Flanschverbindungen oder Laminatverbindungen verbunden.

Produktbezeichnung UP-GF (Rein GFK):
Reduzierstück exzentrisch, entsprechend Rohrtyp D, Form X2, reduziert von Nennweite DN 100 auf Nennweite 80, Nenndruck PN 10, mit glatten Laminatenden der Form L

Reduzierstück DIN 16 966 - X2 D 100 x 80 - 10 L


Verbundwerkstoffe:
Kwerk.de liefert auch Linerwerkstoffe (Verbundwerkstoffe) für Rohre und Formstücke entsprechend der einschlägigen Norm DIN 16965 Teil 2/ Rohrtyp B.

Zu unserem Lieferprogramm gehören:

- Liner GFK-PVC U weichmacherfreies Polyvinylclorid nach DIN 8061, Farbe grau
- Liner GFK-PVC U weichmacherfreies Polyvinylclorid nach DIN 8061, Farbe rot
- Liner PVC C nachchloriertes Polyvinylclorid nach DIN 8080
- Liner GFK-PE-HD Polyethylen hoher Dichte nach DIN 8075
- Liner GFK-PP Polypropylen nach DIN 8078
- Liner PVDF Polyvinylidenfluorid


Sie können das Reduzierstück exzentrisch aus GFK, auch online in unserem Webshop einkaufen


Reduzierung
von / auf

L 1

L 2

L 3

L 4

L 5
Reduzierung
von / auf

L 1

L 2

L 3

L 4
DN1 d2 DN2 d2 DN1 d2 DN2 d2

Rohrtyp D

Rohrtyp B
(32) 32 25 25 180 85 20 20 95 (32) 40 25 32 180 85 20 20
40 40 25 25 205 85 40 40 120 40 50 25
32
205
85 45
45
40 40 (32) 32 200 85 20 20 115 40 50 (32) 40 200 85 25 25
50 50 25 25 235 85 65 60 150 50 63 25 32 235 85 80 80
50 50 (32) 32 230 85 45 45 145 50 63 (32) 40 230 85 60 60
50 50 40 40 205 85 25 25 120 50 63 40 50 205 85 35 35
65 65 (32) 32 260 85 85 80 175 65 75 (32) 40 260 85
90 90
65 65 40 40 235 85 65 60 150 65 75 40 50 235 85 65 60
65 65 40 50 210 85 40 40 125 65 75 50
63 210 85 30 30
80 80 40 40 275 85 105 100 190 80 90 40 50 275 85 105 100
80 80 50 50 245 85 75 75 160 80 90 50 63 245 85 70 65
80 80 65 65 210 85 40 35 125 80 90 65 75 210 85 40 40
100 100 50 50 325 110 130 120 215 100 110 50 63 325 110 95 90
100 100 65 65 285 110 90 85 175 100 110 65 75 285 110 90 85
100 100 80 80 250 110 50 50 135 100 110 80 90 250 110 50 50
(125) 125 65 65 350 110 155 150 240 (125) 125 65 75 350 110 130 125
(125) 125 80 80 310 110 115 110 200 (125) 125 80 90 310 110 90 85
(125) 125 100 100 285 110 65 60 175 (125) 125 100 110 285 110 40 40
150 150 80 80 375 110 180 175 265 150 160 80 90 375 110 180 175
150 150 100 100 350 110 130 125 240 150 160 100 110 350 110 130 125
150 150 (125) 125 310 110 65 60 175 150 160 (125) 125 310 110 90 85
200 200 100 100 495 127 255 245 370 200 200 100 110 495 127 230 225
200 200 (125) 125 430 127 195 185 305 200 200 (125) 125 430 127 195 185
200 200 150 150 370 127 130 125 245 200 200 150 160 370 127 105 100
250 250 (125) 125 575 143 320 310 435 250 250 (125) 125 575 143 320 310
250 250 150 125 510 143 255 245 365 250 250 150 160 510 143 230 225
250 250 200 200 400 143 130 125 255 250 250 200 200 400 143 130 130
300 300 150 150 655 158 385 370 495 300 300 150 160 655 158 360 345
300 300 200 200 540 158 255 245 380 300 300 200 200 540 158 255 245
300 300 250 250 435 158 130 125 275 300 300 250 250 435 158 130 125
350 350 200 200 665 150 385 370 515 350 355 200 200 665 150 400 385
350 350 250 250 550 150 255 245 400 350 355 250 250 550 150 270 260
350 350 300 300 440 150 130 125 290 350 355 300 300 440 150 140 135
400 400 250 250 695 166 385 370 530 400 400 250 250 695 166 385 370
400 400 300 300 580 166 255 245 415 400 400 300 300 580 166 255 245
400 400 350 355 450 166 130 125 285 400 400 350 355 450 166 115 110
500 500 300 300 865 191 515 495 675 500 500 300 300 865 191 515 495
500 500 350 350 730 191 385 380 540 500 500 350 355 730 191 375 360
500 500 400 400 615 191 255 245 425 500 500 400 400 615 191 255 245
600 600 350 350 980 181 645 620 80 600 600 350 355 980 181 630 605
600 600 400 400 865 181 515 495 685 600 600 400 400 865 181 515 495
600 600 500 500 630 181 255 245 450 600 600 500 500 630 181 260 245
700 700 400 400 1160 197 775 740 945 700 710 400 400 1160 197 795 765
700 700 500 500 930 197 515 495 695 700 710 500 500 930 197 540 520
700 700 600 600 660 197 255 245 440 700 710 600 600 660 197 280 270
800 800 500 500 1180 213 775 740 405 800 800 500 500 1160 213 770 740
800 800 600 600 910 213 515 495 700 800 800 600 600 910 213 515 495
800 800 700 700 665 213 255 245 450 800 800 700 710 665 213 230 220
900 900 600 600 1185 230 775 740 955 900 900 600 600 1185 230 770 740
900 900 700 700 945 230 515 495 980 900 900 700 710 945 230 490 470
900 900 800 800 700 230 255 245 470 900 900 800 800 700 230 255 245
1000 1000 700 700 1220 245 775 740 975 1000 1000 700 710 1220 245 745 715
1000 1000 800 800 975 245 515 495 730 1000 1000 800 800 975 245 515 495
1000 1000 900 900 735 245 255 245 490 1000 1000 900 900 735 245 255 245
 





Ihre Wünsche, unsere Lösungen - Ein umfangreiches Lieferprogramm nach Maß.



Kunststoffrohrsysteme


Rohrsysteme aus Kunststoff im Überblick
Technische Informationen ABS Rohrsysteme
Technische Informationen PVC  U Rohrsysteme
Technische Informationen PVC  U Transparent Rohrsysteme
Technische Informationen PVC  C Rohrsysteme
Technische Informationen PP Rohrsysteme
Technische Informationen PP-R Rohrsysteme
Technische Informationen PE Rohrsysteme
Technische Informationen PVDF Rohrsysteme

Chemiedur


Technische Informationen UP-GF (GFK) Rohrsysteme
UP-GF (GFK) Rohre
UP-GF (GFK) Formteile und Verbindungen
UP-GF-PP (GFK) Formteile und Verbindungen
UP-GF (GFK) Klebebunde
UP-GF (GFK) Losflansche
PP/GFK Schmutzfänger DN 200 - DN 500
GFK/CSS  Schmutzfänger DN 200 - DN 500
PP/GFK  Schrägsitzschmutzfänger DN 200 - DN 400
GFK und PP/GFK Mannlochdeckel DN 500 - DN 800


Kunststoffrohre


Rohrzuschnitssrechner
Sägehinweise Kunststoffrohre
Kunststoffrohr - Restebörse
Normung - Kunststoffrohre und Formteile
PVC U Rohrabweichungen
Druckverlust PVCU, PVCC und ABS Rohrsysteme
Unterschied Rp, R und G Gewinde
Schraubenlängen für Flanschverbindungen
Dichtungen: PTFE, NBR, FKM, EPDM

Kunststoffarmaturen


PVC U Transparent Kugelhahn
Membranventile
Blockventile
Absperrklappen
Nadelventile aus Kunststoff



 

Kunststoffarmaturen nach ATEX


ATEX-Leitlinien allgemein
Neue EU Richtlinie 2014/34/EU
Kunststoffarmaturen in Ex-Zonen
Schmutzfänger PP-EL DN 15 - DN 50
Rückschlagventil PP-EL DN 15 - DN 50
Schrägsitzventil PP-EL DN 15 - DN 50

Kleben von Kunststoffrohren


Klebeanleitung
Klebeanleitung per Video

Kunststoffschweißen


Hinweise zum Extrusionsschweissen


Gitterroste / Tragroste


GFK Gitterroste
Gitterroste PP -el elektrisch Leitfähig
Profiltragroste PP -el elektrisch Leitfähig


Lüftungsformteile


Lüftungstechnik
Revisionsdeckel für Lüftungskanäle
Luftstromüberwachung


Chemieschlauch


PVC Transparentschlauch mit Textileinlage


Industrie- und Chemiebehälter


Dosierbehälter-Konfigurator
Dosierbehälter  und Überbehälter 35 – 1000 Liter
Salzlösebehälter 60 -5000 Liter
Lagerbehälter & Bottiche
Lagerbehälter für Wasser
Sicherheits- und Auffangwannen
Lieferprogramm Industriebehälter
Dosierbehälter mit Rührwerk
Rührwerk für Dosierbehälter
Dosierbehälter mit Anbauvarianten
Dosierbehälter aus Plattenmaterial
Chemiebehälter - Kundenlösungen
Dosierbehälter mit Füllstandsanzeigen
GFK Behälter für den schweren Chemieeinsatz



 

IBC TANK / CONTAINER


IBC Schraubdeckel DN 150/DN 200
IBC Adapter aus PE
IBC Adapter aus PP
MULTI FLEX BLOCK für IBC Bulk Container
Sauglanze für MULTI FLEX BLOCK und IBC Bulk Container
Heizhaube für IBC Bulk Container

Anwendungsbeispiele
MULTI FLEX BLOCK


Legionellen in Rückkühlwerken


Anbauteile für den Behälterbau


Säuredunstscheider
CO2 - Absorber
Fallbeispiel CO2 - Absorber
Mannlochdeckel
Revisionsstutzen
Blockflansche
Klöpperboden aus PP-CPK, PE-SK, PVDF-geätzt, PVC U und PVC-C


Filtergehäuse und Filterkerzen


PENTEK 3G Slime Line Gehäuse
PENTEK 3G Standard Filtergehäuse
PENTEK Big Blue Filtergehäuse
PENTEK PP Hochtemperatur Filtergehäuse
PENTEK PP Natur Filtergehäuse
PENTEK Filterbeutel für Big Blue Filtergehäuse
PENTEK Filtereinsätze für Oberflächenfiltration
PENTEK Filtereinsätze für Tiefenfiltration
PENTEK Filtereinsätze mit Aktivkohle
CINTROPUR Filtersysteme
CINTROPUR Wasserfilter
Enthärtungsanlage KAWK
Heizungswasser Umkehrosmose INDUWA


Flansch-Konfigurator


Blindflansch-Losflansch-Rechteckflansch

Chemische Beständigkeit


Beständigkeitsliste für Rohrsystemen aus Kunststoff

Kunststoffapparatebau


Tropfenabscheider aus PVC U, PP, PPs, PE und Verbundwerkstoffen

 

Kunststoff-Drehteile


Einlegteile
Einschraubteile
Gewindefittings
Verschraubungen

Kunststoff-Frästeile


Los- und Blindflansche aus Platten


Statische Mischer


Statische Mischer aus Kunststoff


Kompensatoren


Kompensatoren für Kunststoffrohrsysteme


Schmutzfänger


Einzel- und Doppelschmutzfänger
Topfschmutzfänger DN 300
Schrägsitzschmutzfänger DN 500


Durchflussmesser


Schwebekörperdurchflussmesser
Konfigurator für Durchflussmesser
Messwertgeber für Schwebekörperdurchflussmesser
Nebenstrom - Durchflussmesser


Filterpressen


Laborfilterpresse


Spritzgussteile


Schaber aus PE für Filterpressen


Kwerk Praxis Blog


Hier bloggt das Kwerk Team aus der Praxis


Westerwald - Spezial


Westerwälder Säurekitt


Kwerk GmbH International


Unsere Webseite in Englisch


Partnerschaft auf höchstem Niveau


 
         
 
 
 
       
 
 
         
 
VIDEO
ONLINE-TOOLS
ANGEBOT ANFORDERN
PROJEKT-ANFRAGE STARTEN