SCHMUTZFÄNGER FÜR DIE CHEMIE
& VERFAHRENSTECHNIK






 




TECHNIK DIE ÜBERZEUGT


AUF EINEN BLICK




• Größen d 20 bis d 200 mm verfügbar
• Geringer Druckverlust
• Lange Standzeit
• Siebkörbe aus PVC U, PVC C, PP und Edelstahl
• Siebkorbperforation von 40 Mikron bis 4,8 mm
• Einfache Siebkorbreinigung
• Einfach- und Doppelanlage möglich
• Alternative Fahrweisen je nach Anwendung
• Werkstoff PVC U, PVC C ,PP und transparentes Copolyester
• Silikonfreie O-Ring Dichtungen













SCHMUTZFÄNGER


ZUM SCHUTZ VON ANLAGENKOMPONENTEN




Strömende Flüssigkeiten in Rohrleitungssystemen können Störstoffe mit sich führen, die zur Verstopfung innerhalb eines Rohrleitungssystems und zum Ausfall von Anlagenkomponenten führen können. Aus diesem Grund werden Schmutzfänger entweder am Eintritt der Flüssigkeit in bestimmte Teile eines Rohrleitungssystems oder unmittelbar vor gefährdeten Anlagenkomponenten ( z.B. Ventilen oder Pumpen ) eingesetzt.


GERINGERER DRUCKVERLUST
LANGE STANDZEIT



Schmutzfänger aus Kunststoff finden im Rohrleitungsbau und in der Chemie- und Verfahrenstechnik vielfältige Anwendung. Als Standartprodukte werden überwiegend Y-Schmutzfänger eingesetzt, deren Armaturengehäuse von Schrägsitzventilen und Y-Rückschlagventilen abgeleitet wurde. Der Nachteil ist, dass bezogen auf die Größe der Armatur die Siebfläche und das Schmutzaufnahmevermögen nur sehr klein ist. Durch die geringe Siebfläche ist der Druckverlust auch des sauberen Schmutzfängers schon vergleichsweise hoch. Werden regelmäßig Verunreinigungen zugeführt, ist diese Art von Schmutzfänger in kürzester Zeit verstopft.


EINFACHE SIEBKORBREINIGUNG



Das Reinigen oder Austauschen des Siebkorbes geht schnell und problemlos.
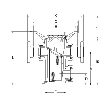
Durch Schließen der bauseitigen Absperrventile vor und hinter dem Schmutzfänger, wird dieser ein- und auslaufseitig abgeschiebert. Durch Herausdrehen des Entleerungsstopfens am Gehäuse und des Belüftungsstopfens auf dem Deckel wird das Schmutzfänger-Gehäuse drucklos gemacht und teilentleert. Dann kann der Schmutzfänger durch Abschrauben des Schraubdeckels geöffnet werden. Die abgewinkelten Griffe an dem Schraubdeckel ermöglichen ein leichtes Öffnen von Hand.

Das Gehäuse hat ein außenliegendes Gewinde, das keinen Kontakt mit dem Medium hat, sodass ein Reinigen des Gewindes in der Regel entfällt. Der Siebkorb kann dann an dem Handgriff nach oben herausgezogen werden. Bei der Installation ist zu beachten, dass ein ausreichender Ausbauraum oberhalb des Schmutzfängers freigehalten wird (siehe auch technischer Aufbau und Dimensionen).

Unser  Lieferprogramm an Siebkörben finden Sie hier.
 










ANSCHLUSSVARIANTEN


FÜR EIN GROSSES EINSATZGEBIET



PP/ST Flansche, Einlegeteile PE, Einlegeteile PP, Gewindemuffe



 





 









SCHMUTZFÄNGER


ZUM SCHUTZ VON ANLAGENKOMPONENTEN




Will man eine Anlage oder eine Anlagenkomponente durch einen Schmutzfänger vor Störstoffen schützen, ergibt sich die Frage nach dem richtigen Siebkorb. Hier gilt als Grundregel, dass der gröbste Einsatz zu wählen ist, der die Partikel zurückhält, die aus der Prozessflüssigkeit entfernt werden sollen. Wählen Sie eine feinere Perforation oder Maschenweite als notwendig, wird das nur zu einer vorzeitigen Verblockung des Schmutzfängers führen. Wenn Sie die Wahl zwischen zwei Siebkörben verschiedener Lochung haben, wählen Sie den gröberen.

Grundsatz: Wählen Sie die Maschenweite bzw. Perforation des Siebkorbes halb so groß wie die Partikel die Sie zurückhalten müssen.













EINFACH ODER DOPPEL



Für den Einsatz von Schmutzfängern in Rohrleitungssystemen unterscheidet man zwei Betriebsarten - den Normalbetrieb und den unterbrechungsfreien Betrieb.

Normalbetrieb heißt, dass die Anlage für Wartungszwecke abgestellt werden kann oder die Wartung während täglicher oder wöchentlicher Stillstandszeiten durchgeführt wird. In diesem Fall ist die Verwendung eines Einfach- Schmutzfängers ausreichend.

Ist jedoch ein unterbrechungsfreier Betrieb gefordert, d.h. dass die Reinigung des Siebkorbes ohne Unterbrechung des Betriebes möglich sein muss, ist der Einsatz eines Doppel-Schmutzfängers erforderlich. Hierbei handelt es sich um eine Doppelanlage, bei der die beiden Schmutzfänger durch Umschaltung des Kombinationsventils wechselweise betrieben werden können. Dadurch sind die Wartungsintervalle für Kwerk-Schmutzfänger deutlich länger.




 






 

AUSWAHLKRITERIEN



Ein wichtiger Gesichtspunkt bei der Auswahl eines Schmutzfängers ist die freie Durchtrittsfläche am Siebkorb. Werden die Schmutzfänger in Rohrleitungen eingesetzt deren Nennweite der Anschlußnennweite des Gehäuses entspricht, ist im Regelfall sichergestellt, dass der Siebkorb über eine ausreichende freie Durchtrittsfläche verfügt. Keinesfalls sollte die Rohrleitung vor dem Schmutzfänger reduziert werden. Ein zu kleiner Schmutzfänger wird zu starkem Druckverlust führen.
Ein weiter Faktor der zu erhöhtem Druckverlust führen kann, ist die Viskosität des Prozessmediums.
Ist die Viskosität Ihres Mediums höher, als die von Wasser, sollten Sie sich von unserer Anwendungstechnik beraten lassen. Möglicherweise ist es sinnvoll einen größeren Schmutzfänger auszuwählen oder mehrere Schmutzfänger parallel zu betreiben, um den Druckverlust zu reduzieren.

Ein Druckverlust von mehr als 150 mbar am sauberen Schmutzfänger zeigt an, dass dieser für die betreffende Anwendung zu klein gewählt wurde.

Nach der Wartung steht zunächst die Durchtrittsfläche des sauberen Korbes zur Verfügung. Wenn der Korb beginnt sich zuzusetzen, wird das Verhältnis des Rohrquerschnitts zur freien Durchtrittsfläche am Siebkorb immer kleiner. Obwohl der Schmutzfänger großzügig dimensioniert wurde, kann die freie Durchtrittsfläche schnell kleiner als der Rohrquerschnitt werden. Dies wird den Druckverlust erhöhen, den Durchfluss durch den Schmutzfänger verringern und ein häufiges Reinigen erforderlich machen.

Ein weiterer Gesichtspunkt ist das Schmutzrückhaltevermögen. Ist für den Anwendungsfall eine regelmäßig und verstärkt auftretende Schmutzfracht zu erwarten, ist der Siebkorb in kurzer Zeit gefüllt und eine Reinigung des Siebkorbes wird erforderlich. Um die Wartungsintervalle zu verlängern empfiehlt sich in diesem Fall der Einsatz eines größeren Schmutzfängers.




 

DRUCKVERLUSTABSCHÄTZUNG



Hat man nach den oben beschriebenen Gesichtspunkten einen Schmutzfänger mit entsprechendem Siebkorb ausgewählt, gilt es den Druckverlust zu überprüfen der sich im Betrieb ergeben wird. Der Druckverlust wird mit folgender Formel errechnet:

                        Q                    delta P =  Druckverlust in bar 
delta P =[ ------------ ] ²        Kv = Durchflussbeiwert / Kv-Wert
                        Kv                  Q = Durchfluss in m³/h

Den Kv-Wert für den betreffenden Schmutzfänger mit dem entsprechenden Siebkorb entnehmen Sie bitte nachfolgender Tabelle.




KV-WERTE - RECHNERISCHE ABSCHÄTZUNG DER DRUCKVERLUSTE



Siebkorb Partikelgröße
in mm und µm
DN 15
d 20
DN 20
d 25
DN 25
d 32
DN 32
d 40
DN 40
d 50
DN 50
d 63
DN 65
d 75
DN 80
d 90
DN 100
d 110
DN 140
d 160
DN 200
d 200
PVC U/PVC C/PP gelocht 0,8   12,6 15,1 16,8 46,2 48,7 50,4 243,4 251,8 293,7    
PVC U/PVC C/PP gelocht 1,6   12,9 15,5 7,2 47,3 49,9 51,6 249,4 258,0 301,0    
PVC U/PVC C/PP gelocht 3,2   16,9 20,3 22,6 62,1 65,5 67,8 327,5 338,8 395,2 608,1 456,1
PVC U/PVC C/PP gelocht 4,8   19,0 22,8 25,4 69,7 73,5 76,1 367,7 380,4 443,8 702,2 526,6
1.4401 gelocht 0,8   14,2 17,1 19,0 52,2 55,1 57,0 275,4 284,9 332,4 573,0 430,0
1.4401 gelocht 1,2   16,3 19,5 21,7 59,6 62,8 65,0 314,2 325,0 379,2 653,8 490,4
1.4401 gelocht 1,6   15,0 18,0 20,0 55,0 58,0 60,0 289,9 299,9 349,9 603,6 452,7
1.4401 gelocht 2,0   18,2 21,9 24,3 66,9 70,5 73,0 352,7 364,9 425,7 734,7 551,1
1.4401 gelocht 2,8   18,1 21,7 24,1 66,2 69,8 72,3 349,2 361,3 421,5 726,8 545,1
1.4401 gelocht 3,2   16,9 20,3 22,6 62,1 65,5 67,8 327,5 338,8 395,2 684,2 513,1
1.4401 gelocht 4,0   21,2 25,4 28,3 77,8 82,0 84,8 410,0 424,1 494,8 860,2 645,0
1.4401 gelocht 4,8   19,0 22,8 25,4 69,7 73,5 76,1 367,7 380,4 443,8 766,1 574,6
1.4401 gelocht 6,4   16,9 20,3 22,6 61,1 65,5 67,8 327,7 338,8 395,2 684,2 513,1
1.4401 Gewebe   872 µm 14,5 17,4 19,4 53,2 56,1 58,1 280,6 290,3 338,7 585,2 438,9
1.4401 Gewebe   385 µm 12,8 15,4 17,1 47,1 49,6 51,3 248,3 256,7 299,5 514,9 386,2
1.4401 Gewebe   238 µm 11,8 14,1 15,7 43,2 45,5 47,1 227,7 235,5 274,8 474,9 356,1
1.4401 Gewebe   179 µm 12,0 14,4 16,0 43,9 46,3 47,9 231,6 239,5 279,5 482,3 361,7
1.4401 Gewebe   149 µm 11,8 14,1 15,7 43,2 45,5 47,1 227,7 235,5 274,8 473,4 355,1
1.4401 Gewebe   74 µm 12,4 14,8 16,5 45,3 47,8 49,4 238,9 247,1 288,3 498,2 373,6
1.4401 Gewebe   40 µm 11,7 14,0 15,6 42,8 45,2 46,7 225,8 233,6 272,5 471,2 353,5
 
Technische Änderungen vorbehalten




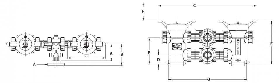
TECHNISCHE DATEN UND MAßE


- EINFACH SCHMUTZFÄNGER -



Gehäusewerkstoff Technische Daten Gewicht in kg Inhalt  
Abmessung PVC U PVC C PP-GF EASTAR** A B C D E F J K L Verschraubung Flansch in Liter
DN 15 d 20 10,3 bar* 10,3 bar* 10,3 bar* 6,9 bar* 219 245 279 57 171 109 203 274 297 3,4 4,0 0,8
DN 20 d 25 10,3* bar 10,3 bar* 10,3* bar 6,9 bar* 219 245 279 57 171 109 203 280 297 3,4 4,0 0,8
DN 25 d 32 10,3* bar 10,3* bar 10,3* bar 6,9 bar* 219 245 279 57 171 109 203 296 297 3,4 4,0 0,8
DN 32 d 40 10,3* bar 10,3* bar 10,3* bar 6,9 bar* 324 340 343 83 241 156 327 397 394 6,4 7,5 2,7
DN 40 d 50 10,3* bar 10,3* bar 10,3* bar 6,9 bar* 324 340 343 83 241 156 327 404 394 6,4 7,5 2,7
DN 50 d 63 10,3* bar 10,3* bar 10,3* bar 6,9 bar* 324 340 343 83 241 156 327 414 394 6,4 7,5 2,7
DN 65 d 75 10,3* bar 10,3* bar 10,3* bar 6,9 bar* 384 504 406 123 377 184 438 534 566 13,0 15,0 10,6
DN 80 d 90 10,3* bar 10,3* bar 10,3* bar 6,9 bar* 384 504 406 123 377 184 438 517 566 13,0 15,0 10,6
DN 100 d 110 10,3* bar 10,3* bar 10,3* bar 6,9 bar* 384 504 406 123 377 184 438 562 566 13,0 17,0 20,6
DN 150 d 160 10,3* bar 10,3* bar       871 457 271 691 298 554 569     27,0 25,7
DN 200 d 200 10,3* bar 10,3* bar       871 457 271 691 298 740 640     36,0 34,1
 
- Technische Änderungen vorbehalten - * max. Betriebsdruck bei 21°C - ** EASTAR - Schmutzfänger nur für Wasser einsetzbar







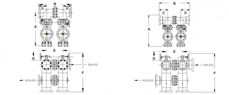
TECHNISCHE DATEN UND MAßE


- DOPPEL SCHMUTZFÄNGER -




Gehäusewerkstoff Technische Daten Gewicht in kg  
Abmessung PVC U PVC C PP-GF EASTAR** A B C D E F G H J Verschraubung Flansch
DN 15 d 20 10,3bar* 10,3bar* 10,3bar* 6,8bar* 105 132 693 57 397 171 521 127 279 9,0 9,5
DN 20 d 25 10,3bar* 10,3bar* 10,3bar* 6,8bar* 105 135 693 57 297 171 521 127 279 9,0 9,5
DN 25 d 32 10,3bar* 10,3bar* 10,3bar* 6,8bar* 105 143 693 57 297 171 521 127 279 9,0 9,5
DN 32 d 40 10,3bar* 10,3bar* 10,3bar* 6,8bar* 152 189 897 83 394 241 711 274 343 18,0 20,0
DN 40 d 50 10,3bar* 10,3bar* 10,3bar* 6,8bar* 152 193 897 83 394 241 711 274 343 18,0 20,0
DN 50 d 63 10,3bar* 10,3bar* 10,3bar* 6,8bar* 152 197 897 83 394 241 711 274 343 18,0 20,0
DN 65 d 75 10,3bar* 10,3bar* 10,3bar* 6,8bar* 178 250 1128 123 566 377 904 376 406 38,0 40,0
DN 80 d 90 10,3bar* 10,3bar* 10,3bar* 6,8bar* 178 243 1128 123 566 377 904 376 406 38,0 48,0
DN 100 d 110 10,3bar* 10,3bar* 10,3bar* 6,8bar* 237 299 1207 123 566 377 983 376 406 45,0 48,0
 
Technische Änderungen vorbehalten - *  max. Betriebsdruck bei 21° C - ** EASTAR - Schmutzfänger nur für Wasser einsetzbar




Gehäusewerkstoff Technische Daten Gewicht
Abmessung PVC U PVC C A B C D E F G in kg
DN 150 d 160 10,3bar* 10,3bar* 887 874 218 218 438 1052 554 81,8
DN 200 d 200 10,3bar* 10,3bar* 1060 1025 293 293 438 1052 730 114,0
 
Technische Änderungen vorbehalten - max. Betriebsdruck bei 21°C



LIEFERPROGRAMM EINFACH SCHMUTZFÄNGER



Bitte beachten Sie:
- neben dem Standardprogramm, liefern wir auch kundenspezifische Anschlussvarianten
- Dichtungswerkstoff EPDM, auf Anfrage. auch in FPM lieferbar. Die PP- Ausführung ist nur in FPM lieferbar

Abmessung Anschluss PVC U PVC C PP-GF Transparent
DN 15 d 20 Klebemuffe SB-1050-K-EPDM SB-2050-K-EPDM   SBC050-K-EPDM
DN 15 R 1/2 Zoll Gewindemuffe SB-1050-G-EPDM SB-2050-G-EPDM SB4050-G-FPM SBC075-K-EPDM
DN 15 d 20 PE Einlegeteil SB-1050-PE-EPDM SB-2050-PE-EPDM SB4050-PE-FPM SBC050-PE-EPDM
DN 15 d 20 PP Einlegeteil SB-1050-PP-EPDM SB-2050-PP-EPDM SB4050-PP-FPM SBC050-PP-EPDM
DN 15 d 20 PP/Stahl Flansche SB-1050-F-EPDM SB-2050-F-EPDM SB4050-F-FPM SBC050-F-EPDM
             
DN 20 d 25 Klebemuffe SB-1075-K-EPDM SB-2075-K-EPDM   SBC-075-K-EPDM
DN 20 R 3/4" Gewindemuffe SB-1075-G-EPDM SB-2075-G-EPDM SB-4075-G-FPM SBC-075-G-EPDM
DN 20 d 25 PE Einlegeteil SB-1075-PE-EPDM SB-2075-PE-EPDM SB-4075-PE-FPM SBC-075-PE-EPDM
DN 20 d 25 PP Einlegeteil SB-1075-PP-EPDM SB-2075-PP-EPDM SB-4075-PP-FPM SBC-075-PP-EPDM
DN 20 d 25 PP/Stahl Flansche SB-1075-F-EPDM SB-2075-F-EPDM SB-4075-F-FPM SBC-075-F-EPDM
             
DN 25 d 32 Klebemuffe SB-1100-K-EPDM SB-2100-K-EPDM   SBC-100-K-EPDM
DN 25 R 1" Gewindemuffe SB-1100-G-EPDM SB-2100-G-EPDM SB-4100-G-FPM SBC-100-G-EPDM
DN 25 d 32 PE Einlegeteil SB-1100-PE-EPDM SB-2100-PE-EPDM SB-4100-PE-FPM SBC-100-PE-EPDM
DN 25 d 32 PP Einlegeteil SB-1100-PP-EPDM SB-2100-PP-EPDM SB-4100-PP-FPM SBC-100-PP-EPDM
DN 25 d 32 PP/Stahl Flansche SB-1100-F-EPDM SB-2100-F-EPDM SB-4100-F-FPM SBC-100-F-EPDM
             
DN 32 d 40 Klebemuffe SB-1125-K-EPDM SB-2125-K-EPDM   SBC-125-K-EPDM
DN 32 R 11/4" Gewindemuffe SB-1125-G-EPDM SB-2125-G-EPDM SB-4125-G-FPM SBC-125-G-EPDM
DN 32 d 40 PE Einlegeteil SB-1125-PE-EPDM SB-2125-PE-EPDM SB-4125-PE-FPM SBC-125-PE-EPDM
DN 32 d 40 PP Einlegeteil SB-1125-PP-EPDM SB-2125-PP-EPDM SB-4125-PP-FPM SBC-125-PP-EPDM
DN 32 d 40 PP/Stahl Flansche SB-1125-F-EPDM SB-2125-F-EPDM SB-4125-F-FPM SBC-125-F-EPDM
             
DN 40 d 50 Klebemuffe SB-1150-K-EPDM SB-2150-K-EPDM   SBC-150-K-EPDM
DN 40 R 11/2" Gewindemuffe SB-1150-G-EPDM SB-2150-G-EPDM SB-4150-G-FPM SBC-150-G-EPDM
DN 40 d 50 PE Einlegeteil SB-1150-PE-EPDM SB-2150-PE-EPDM SB-4150-PE-FPM SBC-150-PE-EPDM
DN 40 d 50 PP Einlegeteil SB-1150-PP-EPDM SB-2150-PP-EPDM SB-4150-PP-FPM SBC-150-PP-EPDM
DN 40 d 50 PP/Stahl Flansche SB-1150-F-EPDM SB-2150-F-EPDM SB-4150-F-FPM SBC-150-F-EPDM
             
DN 50 d 63 Klebemuffe SB-1200-K-EPDM SB-2200-K-EPDM   SBC-200-K-EPDM
DN 50 R 2" Gewindemuffe SB-1200-G-EPDM SB-2200-G-EPDM SB-4200-G-FPM SBC-200-G-EPDM
DN 50 d 63 PE Einlegeteil SB-1200-PE-EPDM SB-2200-PE-EPDM SB-4200-G-FPM SBC-200-PE-EPDM
DN 50 d 63 PP Einlegeteil SB-1200-PP-EPDM SB-2200-PP-EPDM SB-4200-PE-FPM SBC-200-PP-EPDM
DN 50 d 63 PP/Stahl Flansche SB-1200-F-EPDM SB-2200-F-EPDM SB-4200-F-FPM SBC-200-F-EPDM
             
DN 65 d 75 PP/Stahl Flansche SB-1250-F-EPDM SB-2250-F-EPDM SB-4250-F-FPM SBC-250-K-EPDM
DN 80 d 90 PP/Stahl Flansche SB-1300-F-EPDM SB-2300-F-EPDM SB-4300-F-FPM SBC-300-G-EPDM
DN 100 d 110 PP/Stahl Flansche SB-1400-F-EPDM SB-2400-F-EPDM SB-4400-F-FPM SBC-400-K-EPDM
DN 150 d 160 PP/Stahl Flansche SB-1600-F-EPDM      
DN 200 d 200 PP/Stahl Flansche SB-1800-F-EPDM      
 
Technische Änderungen vorbehalten.





Ihre Wünsche, unsere Lösungen - Ein umfangreiches Lieferprogramm nach Maß.



Kunststoffrohrsysteme


Rohrsysteme aus Kunststoff im Überblick
Technische Informationen ABS Rohrsysteme
Technische Informationen PVC  U Rohrsysteme
Technische Informationen PVC  U Transparent Rohrsysteme
Technische Informationen PVC  C Rohrsysteme
Technische Informationen PP Rohrsysteme
Technische Informationen PP-R Rohrsysteme
Technische Informationen PE Rohrsysteme
Technische Informationen PVDF Rohrsysteme

Chemiedur


Technische Informationen UP-GF (GFK) Rohrsysteme
UP-GF (GFK) Rohre
UP-GF (GFK) Formteile und Verbindungen
UP-GF-PP (GFK) Formteile und Verbindungen
UP-GF (GFK) Klebebunde
UP-GF (GFK) Losflansche
PP/GFK Schmutzfänger DN 200 - DN 500
GFK/CSS  Schmutzfänger DN 200 - DN 500
PP/GFK  Schrägsitzschmutzfänger DN 200 - DN 400
GFK und PP/GFK Mannlochdeckel DN 500 - DN 800


Kunststoffrohre


Rohrzuschnitssrechner
Sägehinweise Kunststoffrohre
Kunststoffrohr - Restebörse
Normung - Kunststoffrohre und Formteile
PVC U Rohrabweichungen
Druckverlust PVCU, PVCC und ABS Rohrsysteme
Unterschied Rp, R und G Gewinde
Schraubenlängen für Flanschverbindungen
Dichtungen: PTFE, NBR, FKM, EPDM

Kunststoffarmaturen


PVC U Transparent Kugelhahn
Membranventile
Blockventile
Absperrklappen
Nadelventile aus Kunststoff



 

Kunststoffarmaturen nach ATEX


ATEX-Leitlinien allgemein
Neue EU Richtlinie 2014/34/EU
Kunststoffarmaturen in Ex-Zonen
Schmutzfänger PP-EL DN 15 - DN 50
Rückschlagventil PP-EL DN 15 - DN 50
Schrägsitzventil PP-EL DN 15 - DN 50

Kleben von Kunststoffrohren


Klebeanleitung
Klebeanleitung per Video

Kunststoffschweißen


Hinweise zum Extrusionsschweissen


Gitterroste / Tragroste


GFK Gitterroste
Gitterroste PP -el elektrisch Leitfähig
Profiltragroste PP -el elektrisch Leitfähig


Lüftungsformteile


Lüftungstechnik
Revisionsdeckel für Lüftungskanäle
Luftstromüberwachung


Chemieschlauch


PVC Transparentschlauch mit Textileinlage


Industrie- und Chemiebehälter


Dosierbehälter-Konfigurator
Dosierbehälter  und Überbehälter 35 – 1000 Liter
Salzlösebehälter 60 -5000 Liter
Lagerbehälter & Bottiche
Lagerbehälter für Wasser
Sicherheits- und Auffangwannen
Lieferprogramm Industriebehälter
Dosierbehälter mit Rührwerk
Rührwerk für Dosierbehälter
Dosierbehälter mit Anbauvarianten
Dosierbehälter aus Plattenmaterial
Chemiebehälter - Kundenlösungen
Dosierbehälter mit Füllstandsanzeigen
GFK Behälter für den schweren Chemieeinsatz



 

IBC TANK / CONTAINER


IBC Schraubdeckel DN 150/DN 200
IBC Adapter aus PE
IBC Adapter aus PP
MULTI FLEX BLOCK für IBC Bulk Container
Sauglanze für MULTI FLEX BLOCK und IBC Bulk Container
Heizhaube für IBC Bulk Container

Anwendungsbeispiele
MULTI FLEX BLOCK


Legionellen in Rückkühlwerken


Anbauteile für den Behälterbau


Säuredunstscheider
CO2 - Absorber
Fallbeispiel CO2 - Absorber
Mannlochdeckel
Revisionsstutzen
Blockflansche
Klöpperboden aus PP-CPK, PE-SK, PVDF-geätzt, PVC U und PVC-C


Filtergehäuse und Filterkerzen


PENTEK 3G Slime Line Gehäuse
PENTEK 3G Standard Filtergehäuse
PENTEK Big Blue Filtergehäuse
PENTEK PP Hochtemperatur Filtergehäuse
PENTEK PP Natur Filtergehäuse
PENTEK Filterbeutel für Big Blue Filtergehäuse
PENTEK Filtereinsätze für Oberflächenfiltration
PENTEK Filtereinsätze für Tiefenfiltration
PENTEK Filtereinsätze mit Aktivkohle
CINTROPUR Filtersysteme
CINTROPUR Wasserfilter
Enthärtungsanlage KAWK
Heizungswasser Umkehrosmose INDUWA


Flansch-Konfigurator


Blindflansch-Losflansch-Rechteckflansch

Chemische Beständigkeit


Beständigkeitsliste für Rohrsystemen aus Kunststoff

Kunststoffapparatebau


Tropfenabscheider aus PVC U, PP, PPs, PE und Verbundwerkstoffen

 

Kunststoff-Drehteile


Einlegteile
Einschraubteile
Gewindefittings
Verschraubungen

Kunststoff-Frästeile


Los- und Blindflansche aus Platten


Statische Mischer


Statische Mischer aus Kunststoff


Kompensatoren


Kompensatoren für Kunststoffrohrsysteme


Schmutzfänger


Einzel- und Doppelschmutzfänger
Topfschmutzfänger DN 300
Schrägsitzschmutzfänger DN 500


Durchflussmesser


Schwebekörperdurchflussmesser
Konfigurator für Durchflussmesser
Messwertgeber für Schwebekörperdurchflussmesser
Nebenstrom - Durchflussmesser


Filterpressen


Laborfilterpresse


Spritzgussteile


Schaber aus PE für Filterpressen


Kwerk Praxis Blog


Hier bloggt das Kwerk Team aus der Praxis


Westerwald - Spezial


Westerwälder Säurekitt


Kwerk GmbH International


Unsere Webseite in Englisch


Partnerschaft auf höchstem Niveau


 
         
 
 
 
       
 
 
         
 
Zurück zum Web-Shop
ONLINE-TOOLS
ANGEBOT ANFORDERN
PROJEKT-ANFRAGE STARTEN