Reduktion, PE 100, SDR 17, kurz, zentrisch

Verfügbakeit: sofort
PE100 Formteile mit kurzen Schweißenden SDR11/17 schwarz
gespritzt, für die Heizelement-Stumpf-Schweißung

Werkstoff
PE100, schwarz. Das Material entspricht den Anforderungen der aktuellen KTW-Leitlinie
des Umweltbundesamtes (UBA).

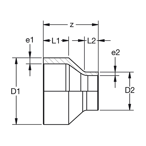
Geometrische Eigenschaften
Außendurchmesser und Wanddicke entsprechend EN 1555 und EN 12201.
Toleranzen bei den Z-Maßangaben sind abhängig von der Dimension. Bis d/D 160 =
+/- 3 mm. Ab d/D 180 = +/- 10 mm.

Ausführung
Geeignet für Heizelement-Stumpf-Schweißung nach DVS Richtlinie 2207.
Schweiß-Geräte und Schweiß-Werkzeuge sollten der DVS Richtlinie 2208 entsprechen.
 
 
 
alle Preise inkl. MwSt. zzgl. Versandkosten
D1-D2 [mm] e1 [mm] e2 [mm] L1 [mm] L2 [mm] z [mm] Gewicht VE Art.-Nr. Artikel bestellen
                  Preis Menge
50-40 3,0 2,4 20 19 46 0,022 1 2326100935 5,26 €
63-32 3,8 1,9 23 22 63 0,033 1 2326110835 6,16 €
63-40 3,8 2,4 24 18 58 0,038 1 2326110935 6,16 €
63-50 3,8 3,0 25 20 54 0,040 1 2326111035 6,16 €
75-40 4,5 2,4 29 22 70 0,051 1 2326120935 7,98 €
75-50 4,5 3,0 28 23 71 0,055 1 2326121035 7,98 €
75-63 4,5 3,8 29 31 70 0,062 1 2326121135 7,98 €
90-50 5,4 4,6* 26 22 73 0,100 1 2326131015 8,51 €
90-63 5,4 5,8* 29 24 71 0,120 1 2326131115 8,51 €
90-75 5,4 4,5 33 33 80 0,100 1 2326131235 8,51 €
110-50 6,6 5,4 33 29 90 0,210 1 2326141035 10,65 €
110-63 6,6 3,8 42 23 91 0,200 1 2326141115 10,65 €
110-75 6,6 4,5 34 35 90 0,160 1 2326141215 10,65 €
110-90 6,6 5,4 40 28 88 0,180 1 2326141315 10,65 €
125-63 7,4 6,6 40 34 100 0,200 1 2326151135 13,62 €
125-75 7,4 4,5 48 31 103 0,270 1 2326151215 13,62 €
125-90 7,4 5,4 38 30 100 0,270 1 2326151315 13,62 €
125-110 7,4 6,6 40 48 100 0,270 1 2326151435 13,62 €
140-75 8,3 4,5 49 37 110 0,290 1 2326161235 16,62 €
140-90 8,3 5,4 45 28 126 0,300 1 2326161335 16,62 €
140-110 8,3 6,6 45 34 126 0,330 1 2326161435 16,62 €
140-125 8,3 7,4 45 42 128 0,380 1 2326161535 16,62 €
160-90 9,5 5,4 53 37 160 0,500 1 2326171335 19,28 €
160-110 9,5 6,6 50 39 125 0,530 1 2326171415 19,28 €
160-125 9,5 7,4 54 45 120 0,480 1 2326171535 19,28 €
160-140 9,5 8,3 44 43 98 0,610 1 2326171615 19,28 €
180-90 10,7 5,4 59 37 130 0,690 1 2326181335 29,03 €
180-110 10,7 6,6 60 40 130 0,770 1 2326181435 29,03 €
180-125 10,7 7,4 62 42 152 0,720 1 2326181515 27,55 €
180-140 10,7 8,3 59 46 130 0,650 1 2326181635 26,47 €
180-160 10,7 9,5 60 55 131 1,030 1 2326181715 26,47 €
200-125 11,9 7,4 60 45 160 1,300 1 2326191515 87,71 €
200-140 11,9 8,3 60 48 140 0,860 1 2326191635 84,42 €
200-160 11,9 9,5 60 54 140 1,000 1 2326191715 65,48 €
200-180 11,9 10,7 60 61 140 0,970 1 2326191835 58,31 €
225-110 13,4 6,6 68 37 190 1,550 1 2326201415 100,33 €
225-140 13,4 8,3 65 57 160 1,800 1 2326201635 95,63 €
225-160 13,4 9,5 65 50 190 1,400 1 2326201715 82,07 €
225-180 13,4 10,7 65 55 190 1,260 1 2326201815 77,95 €
225-200 13,4 11,9 71 71 160 1,420 1 2326201935 68,70 €
250-160 14,8 9,5 70 50 210 2,320 1 2326211715 109,06 €
250-180 14,8 10,7 70 55 200 2,370 1 2326211815 101,14 €
250-200 14,8 11,9 70 60 200 2,550 1 2326211915 92,88 €
250-225 14,8 13,4 70 65 200 2,540 1 2326212015 88,39 €
280-180 16,6 10,7 70 54 213 3,260 1 2326221815 133,11 €
280-200 16,6 11,9 80 60 220 3,450 1 2326221915 121,45 €
280-225 16,6 13,4 80 65 220 3,490 1 2326222015 113,52 €
280-250 16,6 14,8 80 70 220 3,530 1 2326222115 109,06 €
315-200 18,7 11,9 95 85 230 3,400 1 2326231935 155,30 €
315-225 18,7 13,4 90 64 245 4,880 1 2326232015 165,24 €
315-250 18,7 14,8 90 70 245 4,790 1 2326232115 182,65 €
315-280 18,7 16,6 90 80 245 4,820 1 2326232215 176,88 €
355-225 21,1 13,4 57 40 140 6,100 1 2326242035 208,19 €
355-250 21,1 14,8 95 70 265 6,160 1 2326242115 219,21 €
355-280 21,1 16,6 95 80 270 6,560 1 2326242215 249,11 €
355-315 21,1 18,7 95 90 270 6,710 1 2326242315 257,11 €
400-280 23,7 16,6 105 80 295 8,670 1 2326252215 294,08 €
400-315 23,7 18,7 105 90 300 8,930 1 2326252315 299,71 €
400-355 23,7 16,6 105 95 295 9,060 1 2326252415 280,19 €
450-315 26,7 18,7 65 40 173 6,420 1 2326262335 260,75 €
450-355 26,7 21,1 65 45 158 5,480 1 2326262435 467,84 €
450-400 26,7 23,7 65 50 140 5,800 1 2326262535 406,94 €
500-355 29,7 21,1 60 40 173 7,600 1 2326272435 353,33 €
500-400 29,7 23,7 60 45 155 6,600 1 2326272535 547,06 €
500-450 29,7 26,7 60 45 130 6,620 1 2326272635 433,75 €
560-400 33,2 23,7 70 40 190 10,500 1 2326282535 366,77 €
560-450 33,2 26,7 70 50 175 10,800 1 2326282635 700,70 €
560-500 33,2 29,7 70 55 155 11,400 1 2326282735 593,38 €
630-450 37,4 26,7 70 45 205 16,600 1 2326292635 520,26 €
630-500 37,4 29,7 70 50 185 13,600 1 2326292735 711,16 €
630-560 37,4 33,2 70 55 160 12,500 1 2326292835 650,99 €
710-560 42,1 33,2 60 45 180 15,700 1 2326302835 960,74 €
710-630 42,1 37,4 60 50 150 15,300 1 2326302935 1831,85 €
800-710 47,4 42,1 70 50 165 25,100 1 2326313035 1143,69 €
900-800 53,3 47,4 60 45 155 25,100 1 2326323135 1284,61 €
1000-900 59,3 53,3 70 50 170 34,500 1 2326333235 1745,94 €
alle Preise inkl. MwSt. zzgl. Versandkosten
Hinweis:
Für diesen Artikel kann kein Gesamtpreis berechnet werden. Daher wird aus Ihrem Warenkorb eine Anfrage und Sie erhalten von uns schnellstens ein Angebot mit allen Preisangaben, bevor Sie verbindlich bestellen.
Hinweis:
Für diesen Artikel kann kein Gesamtpreis berechnet werden. Daher wird aus Ihrem Warenkorb eine Anfrage und Sie erhalten von uns schnellstens ein Angebot mit allen Preisangaben, bevor Sie verbindlich bestellen.
Hinweis:
Für diesen Artikel kann kein Gesamtpreis berechnet werden. Daher wird aus Ihrem Warenkorb eine Anfrage und Sie erhalten von uns schnellstens ein Angebot mit allen Preisangaben, bevor Sie verbindlich bestellen.
Hinweis:
Für diesen Artikel kann kein Gesamtpreis berechnet werden. Daher wird aus Ihrem Warenkorb eine Anfrage und Sie erhalten von uns schnellstens ein Angebot mit allen Preisangaben, bevor Sie verbindlich bestellen.
Hinweis:
Für diesen Artikel kann kein Gesamtpreis berechnet werden. Daher wird aus Ihrem Warenkorb eine Anfrage und Sie erhalten von uns schnellstens ein Angebot mit allen Preisangaben, bevor Sie verbindlich bestellen.
Hinweis:
Für diesen Artikel kann kein Gesamtpreis berechnet werden. Daher wird aus Ihrem Warenkorb eine Anfrage und Sie erhalten von uns schnellstens ein Angebot mit allen Preisangaben, bevor Sie verbindlich bestellen.
Hinweis:
Für diesen Artikel kann kein Gesamtpreis berechnet werden. Daher wird aus Ihrem Warenkorb eine Anfrage und Sie erhalten von uns schnellstens ein Angebot mit allen Preisangaben, bevor Sie verbindlich bestellen.
Hinweis:
Für diesen Artikel kann kein Gesamtpreis berechnet werden. Daher wird aus Ihrem Warenkorb eine Anfrage und Sie erhalten von uns schnellstens ein Angebot mit allen Preisangaben, bevor Sie verbindlich bestellen.
Hinweis:
Für diesen Artikel kann kein Gesamtpreis berechnet werden. Daher wird aus Ihrem Warenkorb eine Anfrage und Sie erhalten von uns schnellstens ein Angebot mit allen Preisangaben, bevor Sie verbindlich bestellen.
Hinweis:
Für diesen Artikel kann kein Gesamtpreis berechnet werden. Daher wird aus Ihrem Warenkorb eine Anfrage und Sie erhalten von uns schnellstens ein Angebot mit allen Preisangaben, bevor Sie verbindlich bestellen.
Hinweis:
Für diesen Artikel kann kein Gesamtpreis berechnet werden. Daher wird aus Ihrem Warenkorb eine Anfrage und Sie erhalten von uns schnellstens ein Angebot mit allen Preisangaben, bevor Sie verbindlich bestellen.
Hinweis:
Für diesen Artikel kann kein Gesamtpreis berechnet werden. Daher wird aus Ihrem Warenkorb eine Anfrage und Sie erhalten von uns schnellstens ein Angebot mit allen Preisangaben, bevor Sie verbindlich bestellen.
Hinweis:
Für diesen Artikel kann kein Gesamtpreis berechnet werden. Daher wird aus Ihrem Warenkorb eine Anfrage und Sie erhalten von uns schnellstens ein Angebot mit allen Preisangaben, bevor Sie verbindlich bestellen.
Hinweis:
Für diesen Artikel kann kein Gesamtpreis berechnet werden. Daher wird aus Ihrem Warenkorb eine Anfrage und Sie erhalten von uns schnellstens ein Angebot mit allen Preisangaben, bevor Sie verbindlich bestellen.
Hinweis:
Für diesen Artikel kann kein Gesamtpreis berechnet werden. Daher wird aus Ihrem Warenkorb eine Anfrage und Sie erhalten von uns schnellstens ein Angebot mit allen Preisangaben, bevor Sie verbindlich bestellen.
Hinweis:
Für diesen Artikel kann kein Gesamtpreis berechnet werden. Daher wird aus Ihrem Warenkorb eine Anfrage und Sie erhalten von uns schnellstens ein Angebot mit allen Preisangaben, bevor Sie verbindlich bestellen.
Hinweis:
Für diesen Artikel kann kein Gesamtpreis berechnet werden. Daher wird aus Ihrem Warenkorb eine Anfrage und Sie erhalten von uns schnellstens ein Angebot mit allen Preisangaben, bevor Sie verbindlich bestellen.
Hinweis:
Für diesen Artikel kann kein Gesamtpreis berechnet werden. Daher wird aus Ihrem Warenkorb eine Anfrage und Sie erhalten von uns schnellstens ein Angebot mit allen Preisangaben, bevor Sie verbindlich bestellen.
Hinweis:
Für diesen Artikel kann kein Gesamtpreis berechnet werden. Daher wird aus Ihrem Warenkorb eine Anfrage und Sie erhalten von uns schnellstens ein Angebot mit allen Preisangaben, bevor Sie verbindlich bestellen.
Hinweis:
Für diesen Artikel kann kein Gesamtpreis berechnet werden. Daher wird aus Ihrem Warenkorb eine Anfrage und Sie erhalten von uns schnellstens ein Angebot mit allen Preisangaben, bevor Sie verbindlich bestellen.
Hinweis:
Für diesen Artikel kann kein Gesamtpreis berechnet werden. Daher wird aus Ihrem Warenkorb eine Anfrage und Sie erhalten von uns schnellstens ein Angebot mit allen Preisangaben, bevor Sie verbindlich bestellen.
Hinweis:
Für diesen Artikel kann kein Gesamtpreis berechnet werden. Daher wird aus Ihrem Warenkorb eine Anfrage und Sie erhalten von uns schnellstens ein Angebot mit allen Preisangaben, bevor Sie verbindlich bestellen.
Hinweis:
Für diesen Artikel kann kein Gesamtpreis berechnet werden. Daher wird aus Ihrem Warenkorb eine Anfrage und Sie erhalten von uns schnellstens ein Angebot mit allen Preisangaben, bevor Sie verbindlich bestellen.
Hinweis:
Für diesen Artikel kann kein Gesamtpreis berechnet werden. Daher wird aus Ihrem Warenkorb eine Anfrage und Sie erhalten von uns schnellstens ein Angebot mit allen Preisangaben, bevor Sie verbindlich bestellen.
Hinweis:
Für diesen Artikel kann kein Gesamtpreis berechnet werden. Daher wird aus Ihrem Warenkorb eine Anfrage und Sie erhalten von uns schnellstens ein Angebot mit allen Preisangaben, bevor Sie verbindlich bestellen.
Hinweis:
Für diesen Artikel kann kein Gesamtpreis berechnet werden. Daher wird aus Ihrem Warenkorb eine Anfrage und Sie erhalten von uns schnellstens ein Angebot mit allen Preisangaben, bevor Sie verbindlich bestellen.
Hinweis:
Für diesen Artikel kann kein Gesamtpreis berechnet werden. Daher wird aus Ihrem Warenkorb eine Anfrage und Sie erhalten von uns schnellstens ein Angebot mit allen Preisangaben, bevor Sie verbindlich bestellen.
Hinweis:
Für diesen Artikel kann kein Gesamtpreis berechnet werden. Daher wird aus Ihrem Warenkorb eine Anfrage und Sie erhalten von uns schnellstens ein Angebot mit allen Preisangaben, bevor Sie verbindlich bestellen.
Hinweis:
Für diesen Artikel kann kein Gesamtpreis berechnet werden. Daher wird aus Ihrem Warenkorb eine Anfrage und Sie erhalten von uns schnellstens ein Angebot mit allen Preisangaben, bevor Sie verbindlich bestellen.
Hinweis:
Für diesen Artikel kann kein Gesamtpreis berechnet werden. Daher wird aus Ihrem Warenkorb eine Anfrage und Sie erhalten von uns schnellstens ein Angebot mit allen Preisangaben, bevor Sie verbindlich bestellen.
Hinweis:
Für diesen Artikel kann kein Gesamtpreis berechnet werden. Daher wird aus Ihrem Warenkorb eine Anfrage und Sie erhalten von uns schnellstens ein Angebot mit allen Preisangaben, bevor Sie verbindlich bestellen.
Hinweis:
Für diesen Artikel kann kein Gesamtpreis berechnet werden. Daher wird aus Ihrem Warenkorb eine Anfrage und Sie erhalten von uns schnellstens ein Angebot mit allen Preisangaben, bevor Sie verbindlich bestellen.
Hinweis:
Für diesen Artikel kann kein Gesamtpreis berechnet werden. Daher wird aus Ihrem Warenkorb eine Anfrage und Sie erhalten von uns schnellstens ein Angebot mit allen Preisangaben, bevor Sie verbindlich bestellen.
Hinweis:
Für diesen Artikel kann kein Gesamtpreis berechnet werden. Daher wird aus Ihrem Warenkorb eine Anfrage und Sie erhalten von uns schnellstens ein Angebot mit allen Preisangaben, bevor Sie verbindlich bestellen.
Hinweis:
Für diesen Artikel kann kein Gesamtpreis berechnet werden. Daher wird aus Ihrem Warenkorb eine Anfrage und Sie erhalten von uns schnellstens ein Angebot mit allen Preisangaben, bevor Sie verbindlich bestellen.
Hinweis:
Für diesen Artikel kann kein Gesamtpreis berechnet werden. Daher wird aus Ihrem Warenkorb eine Anfrage und Sie erhalten von uns schnellstens ein Angebot mit allen Preisangaben, bevor Sie verbindlich bestellen.
Hinweis:
Für diesen Artikel kann kein Gesamtpreis berechnet werden. Daher wird aus Ihrem Warenkorb eine Anfrage und Sie erhalten von uns schnellstens ein Angebot mit allen Preisangaben, bevor Sie verbindlich bestellen.
Hinweis:
Für diesen Artikel kann kein Gesamtpreis berechnet werden. Daher wird aus Ihrem Warenkorb eine Anfrage und Sie erhalten von uns schnellstens ein Angebot mit allen Preisangaben, bevor Sie verbindlich bestellen.
Hinweis:
Für diesen Artikel kann kein Gesamtpreis berechnet werden. Daher wird aus Ihrem Warenkorb eine Anfrage und Sie erhalten von uns schnellstens ein Angebot mit allen Preisangaben, bevor Sie verbindlich bestellen.
Hinweis:
Für diesen Artikel kann kein Gesamtpreis berechnet werden. Daher wird aus Ihrem Warenkorb eine Anfrage und Sie erhalten von uns schnellstens ein Angebot mit allen Preisangaben, bevor Sie verbindlich bestellen.
Hinweis:
Für diesen Artikel kann kein Gesamtpreis berechnet werden. Daher wird aus Ihrem Warenkorb eine Anfrage und Sie erhalten von uns schnellstens ein Angebot mit allen Preisangaben, bevor Sie verbindlich bestellen.
Hinweis:
Für diesen Artikel kann kein Gesamtpreis berechnet werden. Daher wird aus Ihrem Warenkorb eine Anfrage und Sie erhalten von uns schnellstens ein Angebot mit allen Preisangaben, bevor Sie verbindlich bestellen.
Hinweis:
Für diesen Artikel kann kein Gesamtpreis berechnet werden. Daher wird aus Ihrem Warenkorb eine Anfrage und Sie erhalten von uns schnellstens ein Angebot mit allen Preisangaben, bevor Sie verbindlich bestellen.
Hinweis:
Für diesen Artikel kann kein Gesamtpreis berechnet werden. Daher wird aus Ihrem Warenkorb eine Anfrage und Sie erhalten von uns schnellstens ein Angebot mit allen Preisangaben, bevor Sie verbindlich bestellen.
Hinweis:
Für diesen Artikel kann kein Gesamtpreis berechnet werden. Daher wird aus Ihrem Warenkorb eine Anfrage und Sie erhalten von uns schnellstens ein Angebot mit allen Preisangaben, bevor Sie verbindlich bestellen.
Hinweis:
Für diesen Artikel kann kein Gesamtpreis berechnet werden. Daher wird aus Ihrem Warenkorb eine Anfrage und Sie erhalten von uns schnellstens ein Angebot mit allen Preisangaben, bevor Sie verbindlich bestellen.
Hinweis:
Für diesen Artikel kann kein Gesamtpreis berechnet werden. Daher wird aus Ihrem Warenkorb eine Anfrage und Sie erhalten von uns schnellstens ein Angebot mit allen Preisangaben, bevor Sie verbindlich bestellen.
Hinweis:
Für diesen Artikel kann kein Gesamtpreis berechnet werden. Daher wird aus Ihrem Warenkorb eine Anfrage und Sie erhalten von uns schnellstens ein Angebot mit allen Preisangaben, bevor Sie verbindlich bestellen.
Hinweis:
Für diesen Artikel kann kein Gesamtpreis berechnet werden. Daher wird aus Ihrem Warenkorb eine Anfrage und Sie erhalten von uns schnellstens ein Angebot mit allen Preisangaben, bevor Sie verbindlich bestellen.
Hinweis:
Für diesen Artikel kann kein Gesamtpreis berechnet werden. Daher wird aus Ihrem Warenkorb eine Anfrage und Sie erhalten von uns schnellstens ein Angebot mit allen Preisangaben, bevor Sie verbindlich bestellen.
Hinweis:
Für diesen Artikel kann kein Gesamtpreis berechnet werden. Daher wird aus Ihrem Warenkorb eine Anfrage und Sie erhalten von uns schnellstens ein Angebot mit allen Preisangaben, bevor Sie verbindlich bestellen.
Hinweis:
Für diesen Artikel kann kein Gesamtpreis berechnet werden. Daher wird aus Ihrem Warenkorb eine Anfrage und Sie erhalten von uns schnellstens ein Angebot mit allen Preisangaben, bevor Sie verbindlich bestellen.
Hinweis:
Für diesen Artikel kann kein Gesamtpreis berechnet werden. Daher wird aus Ihrem Warenkorb eine Anfrage und Sie erhalten von uns schnellstens ein Angebot mit allen Preisangaben, bevor Sie verbindlich bestellen.
Hinweis:
Für diesen Artikel kann kein Gesamtpreis berechnet werden. Daher wird aus Ihrem Warenkorb eine Anfrage und Sie erhalten von uns schnellstens ein Angebot mit allen Preisangaben, bevor Sie verbindlich bestellen.
Hinweis:
Für diesen Artikel kann kein Gesamtpreis berechnet werden. Daher wird aus Ihrem Warenkorb eine Anfrage und Sie erhalten von uns schnellstens ein Angebot mit allen Preisangaben, bevor Sie verbindlich bestellen.
Hinweis:
Für diesen Artikel kann kein Gesamtpreis berechnet werden. Daher wird aus Ihrem Warenkorb eine Anfrage und Sie erhalten von uns schnellstens ein Angebot mit allen Preisangaben, bevor Sie verbindlich bestellen.
Hinweis:
Für diesen Artikel kann kein Gesamtpreis berechnet werden. Daher wird aus Ihrem Warenkorb eine Anfrage und Sie erhalten von uns schnellstens ein Angebot mit allen Preisangaben, bevor Sie verbindlich bestellen.
Hinweis:
Für diesen Artikel kann kein Gesamtpreis berechnet werden. Daher wird aus Ihrem Warenkorb eine Anfrage und Sie erhalten von uns schnellstens ein Angebot mit allen Preisangaben, bevor Sie verbindlich bestellen.
Hinweis:
Für diesen Artikel kann kein Gesamtpreis berechnet werden. Daher wird aus Ihrem Warenkorb eine Anfrage und Sie erhalten von uns schnellstens ein Angebot mit allen Preisangaben, bevor Sie verbindlich bestellen.
Hinweis:
Für diesen Artikel kann kein Gesamtpreis berechnet werden. Daher wird aus Ihrem Warenkorb eine Anfrage und Sie erhalten von uns schnellstens ein Angebot mit allen Preisangaben, bevor Sie verbindlich bestellen.
Hinweis:
Für diesen Artikel kann kein Gesamtpreis berechnet werden. Daher wird aus Ihrem Warenkorb eine Anfrage und Sie erhalten von uns schnellstens ein Angebot mit allen Preisangaben, bevor Sie verbindlich bestellen.
Hinweis:
Für diesen Artikel kann kein Gesamtpreis berechnet werden. Daher wird aus Ihrem Warenkorb eine Anfrage und Sie erhalten von uns schnellstens ein Angebot mit allen Preisangaben, bevor Sie verbindlich bestellen.
Hinweis:
Für diesen Artikel kann kein Gesamtpreis berechnet werden. Daher wird aus Ihrem Warenkorb eine Anfrage und Sie erhalten von uns schnellstens ein Angebot mit allen Preisangaben, bevor Sie verbindlich bestellen.
Hinweis:
Für diesen Artikel kann kein Gesamtpreis berechnet werden. Daher wird aus Ihrem Warenkorb eine Anfrage und Sie erhalten von uns schnellstens ein Angebot mit allen Preisangaben, bevor Sie verbindlich bestellen.
Hinweis:
Für diesen Artikel kann kein Gesamtpreis berechnet werden. Daher wird aus Ihrem Warenkorb eine Anfrage und Sie erhalten von uns schnellstens ein Angebot mit allen Preisangaben, bevor Sie verbindlich bestellen.
Hinweis:
Für diesen Artikel kann kein Gesamtpreis berechnet werden. Daher wird aus Ihrem Warenkorb eine Anfrage und Sie erhalten von uns schnellstens ein Angebot mit allen Preisangaben, bevor Sie verbindlich bestellen.
Hinweis:
Für diesen Artikel kann kein Gesamtpreis berechnet werden. Daher wird aus Ihrem Warenkorb eine Anfrage und Sie erhalten von uns schnellstens ein Angebot mit allen Preisangaben, bevor Sie verbindlich bestellen.
Hinweis:
Für diesen Artikel kann kein Gesamtpreis berechnet werden. Daher wird aus Ihrem Warenkorb eine Anfrage und Sie erhalten von uns schnellstens ein Angebot mit allen Preisangaben, bevor Sie verbindlich bestellen.
Hinweis:
Für diesen Artikel kann kein Gesamtpreis berechnet werden. Daher wird aus Ihrem Warenkorb eine Anfrage und Sie erhalten von uns schnellstens ein Angebot mit allen Preisangaben, bevor Sie verbindlich bestellen.
Hinweis:
Für diesen Artikel kann kein Gesamtpreis berechnet werden. Daher wird aus Ihrem Warenkorb eine Anfrage und Sie erhalten von uns schnellstens ein Angebot mit allen Preisangaben, bevor Sie verbindlich bestellen.
Hinweis:
Für diesen Artikel kann kein Gesamtpreis berechnet werden. Daher wird aus Ihrem Warenkorb eine Anfrage und Sie erhalten von uns schnellstens ein Angebot mit allen Preisangaben, bevor Sie verbindlich bestellen.
Hinweis:
Für diesen Artikel kann kein Gesamtpreis berechnet werden. Daher wird aus Ihrem Warenkorb eine Anfrage und Sie erhalten von uns schnellstens ein Angebot mit allen Preisangaben, bevor Sie verbindlich bestellen.
Hinweis:
Für diesen Artikel kann kein Gesamtpreis berechnet werden. Daher wird aus Ihrem Warenkorb eine Anfrage und Sie erhalten von uns schnellstens ein Angebot mit allen Preisangaben, bevor Sie verbindlich bestellen.
Hinweis:
Für diesen Artikel kann kein Gesamtpreis berechnet werden. Daher wird aus Ihrem Warenkorb eine Anfrage und Sie erhalten von uns schnellstens ein Angebot mit allen Preisangaben, bevor Sie verbindlich bestellen.
Hinweis:
Für diesen Artikel kann kein Gesamtpreis berechnet werden. Daher wird aus Ihrem Warenkorb eine Anfrage und Sie erhalten von uns schnellstens ein Angebot mit allen Preisangaben, bevor Sie verbindlich bestellen.
Hinweis:
Für diesen Artikel kann kein Gesamtpreis berechnet werden. Daher wird aus Ihrem Warenkorb eine Anfrage und Sie erhalten von uns schnellstens ein Angebot mit allen Preisangaben, bevor Sie verbindlich bestellen.




PE-Formteile mit kurzen Schweißenden SDR 11/17 in Schwarz - Qualität für präzise Heizelement-Stumpf-Schweißung



 
Unsere spritzgegossenen PE-Formteile mit kurzen schweißenden SDR 11/17 in Schwarz bieten die perfekte Lösung für präzise Heizelement-Stumpf-Schweißungen in Ihren Rohrleitungssystemen. Mit herausragender Qualität und langlebiger Leistung sind diese Formteile speziell für anspruchsvolle Anwendungen entwickelt worden.

Unsere PE-Formteile bestehen aus hochwertigem Polyethylen (PE), das durch das Spritzgussverfahren hergestellt wird. Der schwarze Farbton verleiht den Formteilen nicht nur ein ansprechendes Erscheinungsbild, sondern bietet auch eine verbesserte UV-Beständigkeit für den Einsatz im Freien. Dies ermöglicht eine problemlose Installation ohne zusätzliche Schutzmaßnahmen.

Die kurzen schweißenden SDR 11/17 Eigenschaften der Formteile gewährleisten eine sichere und zuverlässige Verbindung mit anderen Rohren. Dies ist besonders wichtig bei Heizelement-Stumpf-Schweißungen, bei denen eine präzise Ausrichtung und eine starke Schweißnaht erforderlich sind.

Unsere PE-Formteile mit kurzen schweißenden SDR 11/17 in Schwarz bieten eine Vielzahl von Vorteilen. Sie sind leicht, robust und chemisch beständig, was sie ideal für den Einsatz in verschiedenen Industrie- und Anwendungsbereichen macht. Zudem bieten sie eine hohe Schlagzähigkeit, auch bei extremen Temperaturen, sowie eine ausgezeichnete Korrosionsbeständigkeit.

Die Formteile entsprechen den gängigen Normen und Zulassungen für die Rohrleitungstechnik, sodass Sie sich auf ihre Qualität und Zuverlässigkeit verlassen können. Sie sind für die Heizelement-Stumpf-Schweißung konzipiert und ermöglichen eine effiziente und sichere Installation Ihrer Rohrsysteme.

Unser Unternehmen legt großen Wert auf höchste Qualitätsstandards. Deshalb werden alle unsere PE-Formteile mit kurzen schweißenden SDR 11/17 in Schwarz sorgfältig geprüft und entsprechen den strengen Anforderungen der geltenden Industrienormen. Wir sind stolz darauf, Ihnen Produkte anzubieten, die Ihren Erwartungen in Bezug auf Leistung, Zuverlässigkeit und Haltbarkeit gerecht werden.

Vertrauen Sie auf unsere langjährige Erfahrung und Expertise in der Herstellung von PE-Formteilen. Wir sind Ihr zuverlässiger Partner für hochwertige Lösungen in der Rohrleitungstechnik. Kontaktieren Sie uns noch heute, um mehr über unsere PE-Formteile mit kurzen schweißenden SDR 11/17 in Schwarz zu erfahren und wie wir Ihnen bei Ihren spezifischen Anforderungen weiterhelfen können.






Ihre Wünsche, unsere Lösungen - Ein umfangreiches Lieferprogramm nach Maß.



Kunststoffrohrsysteme


Rohrsysteme aus Kunststoff im Überblick
Technische Informationen ABS Rohrsysteme
Technische Informationen PVC  U Rohrsysteme
Technische Informationen PVC  U Transparent Rohrsysteme
Technische Informationen PVC  C Rohrsysteme
Technische Informationen PP Rohrsysteme
Technische Informationen PP-R Rohrsysteme
Technische Informationen PE Rohrsysteme
Technische Informationen PVDF Rohrsysteme

Chemiedur


Technische Informationen UP-GF (GFK) Rohrsysteme
UP-GF (GFK) Rohre
UP-GF (GFK) Formteile und Verbindungen
UP-GF-PP (GFK) Formteile und Verbindungen
UP-GF (GFK) Klebebunde
UP-GF (GFK) Losflansche
PP/GFK Schmutzfänger DN 200 - DN 500
GFK/CSS  Schmutzfänger DN 200 - DN 500
PP/GFK  Schrägsitzschmutzfänger DN 200 - DN 400
GFK und PP/GFK Mannlochdeckel DN 500 - DN 800


Kunststoffrohre


Rohrzuschnitssrechner
Sägehinweise Kunststoffrohre
Kunststoffrohr - Restebörse
Normung - Kunststoffrohre und Formteile
PVC U Rohrabweichungen
Druckverlust PVCU, PVCC und ABS Rohrsysteme
Unterschied Rp, R und G Gewinde
Schraubenlängen für Flanschverbindungen
Dichtungen: PTFE, NBR, FKM, EPDM

Kunststoffarmaturen


PVC U Transparent Kugelhahn
Membranventile
Blockventile
Absperrklappen
Nadelventile aus Kunststoff



 

Kunststoffarmaturen nach ATEX


ATEX-Leitlinien allgemein
Neue EU Richtlinie 2014/34/EU
Kunststoffarmaturen in Ex-Zonen
Schmutzfänger PP-EL DN 15 - DN 50
Rückschlagventil PP-EL DN 15 - DN 50
Schrägsitzventil PP-EL DN 15 - DN 50

Kleben von Kunststoffrohren


Klebeanleitung
Klebeanleitung per Video

Kunststoffschweißen


Hinweise zum Extrusionsschweissen


Gitterroste / Tragroste


GFK Gitterroste
Gitterroste PP -el elektrisch Leitfähig
Profiltragroste PP -el elektrisch Leitfähig


Lüftungsformteile


Lüftungstechnik
Revisionsdeckel für Lüftungskanäle
Luftstromüberwachung


Chemieschlauch


PVC Transparentschlauch mit Textileinlage


Industrie- und Chemiebehälter


Dosierbehälter-Konfigurator
Dosierbehälter  und Überbehälter 35 – 1000 Liter
Salzlösebehälter 60 -5000 Liter
Lagerbehälter & Bottiche
Lagerbehälter für Wasser
Sicherheits- und Auffangwannen
Lieferprogramm Industriebehälter
Dosierbehälter mit Rührwerk
Rührwerk für Dosierbehälter
Dosierbehälter mit Anbauvarianten
Dosierbehälter aus Plattenmaterial
Chemiebehälter - Kundenlösungen
Dosierbehälter mit Füllstandsanzeigen
GFK Behälter für den schweren Chemieeinsatz



 

IBC TANK / CONTAINER


IBC Schraubdeckel DN 150/DN 200
IBC Adapter aus PE
IBC Adapter aus PP
MULTI FLEX BLOCK für IBC Bulk Container
Sauglanze für MULTI FLEX BLOCK und IBC Bulk Container
Heizhaube für IBC Bulk Container

Anwendungsbeispiele
MULTI FLEX BLOCK


Legionellen in Rückkühlwerken


Anbauteile für den Behälterbau


Säuredunstscheider
CO2 - Absorber
Fallbeispiel CO2 - Absorber
Mannlochdeckel
Revisionsstutzen
Blockflansche
Klöpperboden aus PP-CPK, PE-SK, PVDF-geätzt, PVC U und PVC-C


Filtergehäuse und Filterkerzen


PENTEK 3G Slime Line Gehäuse
PENTEK 3G Standard Filtergehäuse
PENTEK Big Blue Filtergehäuse
PENTEK PP Hochtemperatur Filtergehäuse
PENTEK PP Natur Filtergehäuse
PENTEK Filterbeutel für Big Blue Filtergehäuse
PENTEK Filtereinsätze für Oberflächenfiltration
PENTEK Filtereinsätze für Tiefenfiltration
PENTEK Filtereinsätze mit Aktivkohle
CINTROPUR Filtersysteme
CINTROPUR Wasserfilter
Enthärtungsanlage KAWK
Heizungswasser Umkehrosmose INDUWA


Flansch-Konfigurator


Blindflansch-Losflansch-Rechteckflansch

Chemische Beständigkeit


Beständigkeitsliste für Rohrsystemen aus Kunststoff

Kunststoffapparatebau


Tropfenabscheider aus PVC U, PP, PPs, PE und Verbundwerkstoffen

 

Kunststoff-Drehteile


Einlegteile
Einschraubteile
Gewindefittings
Verschraubungen

Kunststoff-Frästeile


Los- und Blindflansche aus Platten


Statische Mischer


Statische Mischer aus Kunststoff


Kompensatoren


Kompensatoren für Kunststoffrohrsysteme


Schmutzfänger


Einzel- und Doppelschmutzfänger
Topfschmutzfänger DN 300
Schrägsitzschmutzfänger DN 500


Durchflussmesser


Schwebekörperdurchflussmesser
Konfigurator für Durchflussmesser
Messwertgeber für Schwebekörperdurchflussmesser
Nebenstrom - Durchflussmesser


Filterpressen


Laborfilterpresse


Spritzgussteile


Schaber aus PE für Filterpressen


Kwerk Praxis Blog


Hier bloggt das Kwerk Team aus der Praxis


Westerwald - Spezial


Westerwälder Säurekitt


Kwerk GmbH International


Unsere Webseite in Englisch


Partnerschaft auf höchstem Niveau


 
         
 
 
 
       
 
 
         
 
DETAIL-INFORMATIONEN
DATENBLATT KOMPAKT
DOWNLOADS
CAD-FILES
keine CAD-Dateien vorhanden
ONLINE-TOOLS
ANGEBOT ANFORDERN
PROJEKT-ANFRAGE STARTEN