Vorschweißbund für Klappen, PE 100, SDR 11, Dichtfläche gerillt, lang

Verfügbakeit: sofort
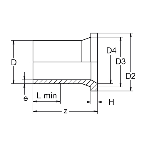
Vorschweißbund (V-Bund) lang in gerillter Ausführung für den Einsatz von Flachdichtungen.
Weitere Informationen zu Flanschen und Dichtungen finden Sie unter 6. Zubehör.

Werkstoff
PE100, schwarz. Das Material entspricht den Anforderungen der aktuellen KTW-Leitlinie des Umweltbundesamtes (UBA).

Geometrische Eigenschaften
Außendurchmesser und Wanddicke entsprechend EN 1555 und EN 12201. Toleranzen bei den Z-Maßangaben sind abhängig von der Dimension. Bis d/D 160 = +/- 3 mm. Ab d/D 180 = +/- 10 mm.

Ausführung
Geeignet für Heizelement-Stumpf-Schweißung und Heizwendel-Muffen-Schweißung nach DVS Richtlinie 2207. Schweiß-Geräte und Schweiß-Werkzeuge sollten der DVS Richtlinie 2208 entsprechen.
 
 
 
alle Preise inkl. MwSt. zzgl. Versandkosten
D [mm] e [mm] D2 [mm] D3 [mm] D4 [mm] H [mm] L min [mm] z [mm] Gewicht VE Art.-Nr. Artikel bestellen
                      Preis Menge
63 3,8 102 75 59 14 78 122 0,110 1 233411FK15 9,02 €
75 4,5 122 89 71 16 84 130 0,210 1 233412FK15 11,26 €
90 5,4 138 105 85 17 98 145 0,300 1 233413FK15 15,22 €
110 6,6 158 125 103,6 18 102 155 0,460 1 233414FK15 18,69 €
125 7,4 158 132 114 18 122 170 0,450 1 233415FK15 23,13 €
140 8,3 188 155 127 18 119 179 0,690 1 233416FK15 28,73 €
160 9,5 212 175 153 18 129 185 0,910 1 233417FK15 34,14 €
200 11,9 268 232 210 24 131 205 1,800 1 233419FK15 60,52 €
225 13,4 268 235 210 24 151 215 1,770 1 233420FK15 65,96 €
250 14,8 320 285 255 25 160 235 2,720 1 233421FK15 109,46 €
280 16,6 320 291 265 25 188 253 4,160 1 233422FK15 120,56 €
315 18,7 370 335 309 25 182 257 4,240 1 233423FK15 157,23 €
355 21,1 430 373 346 30 195 275 7,830 1 233525FK15 auf Anfrage
alle Preise inkl. MwSt. zzgl. Versandkosten
Hinweis:
Für diesen Artikel kann kein Gesamtpreis berechnet werden. Daher wird aus Ihrem Warenkorb eine Anfrage und Sie erhalten von uns schnellstens ein Angebot mit allen Preisangaben, bevor Sie verbindlich bestellen.
Hinweis:
Für diesen Artikel kann kein Gesamtpreis berechnet werden. Daher wird aus Ihrem Warenkorb eine Anfrage und Sie erhalten von uns schnellstens ein Angebot mit allen Preisangaben, bevor Sie verbindlich bestellen.
Hinweis:
Für diesen Artikel kann kein Gesamtpreis berechnet werden. Daher wird aus Ihrem Warenkorb eine Anfrage und Sie erhalten von uns schnellstens ein Angebot mit allen Preisangaben, bevor Sie verbindlich bestellen.
Hinweis:
Für diesen Artikel kann kein Gesamtpreis berechnet werden. Daher wird aus Ihrem Warenkorb eine Anfrage und Sie erhalten von uns schnellstens ein Angebot mit allen Preisangaben, bevor Sie verbindlich bestellen.
Hinweis:
Für diesen Artikel kann kein Gesamtpreis berechnet werden. Daher wird aus Ihrem Warenkorb eine Anfrage und Sie erhalten von uns schnellstens ein Angebot mit allen Preisangaben, bevor Sie verbindlich bestellen.
Hinweis:
Für diesen Artikel kann kein Gesamtpreis berechnet werden. Daher wird aus Ihrem Warenkorb eine Anfrage und Sie erhalten von uns schnellstens ein Angebot mit allen Preisangaben, bevor Sie verbindlich bestellen.
Hinweis:
Für diesen Artikel kann kein Gesamtpreis berechnet werden. Daher wird aus Ihrem Warenkorb eine Anfrage und Sie erhalten von uns schnellstens ein Angebot mit allen Preisangaben, bevor Sie verbindlich bestellen.
Hinweis:
Für diesen Artikel kann kein Gesamtpreis berechnet werden. Daher wird aus Ihrem Warenkorb eine Anfrage und Sie erhalten von uns schnellstens ein Angebot mit allen Preisangaben, bevor Sie verbindlich bestellen.
Hinweis:
Für diesen Artikel kann kein Gesamtpreis berechnet werden. Daher wird aus Ihrem Warenkorb eine Anfrage und Sie erhalten von uns schnellstens ein Angebot mit allen Preisangaben, bevor Sie verbindlich bestellen.
Hinweis:
Für diesen Artikel kann kein Gesamtpreis berechnet werden. Daher wird aus Ihrem Warenkorb eine Anfrage und Sie erhalten von uns schnellstens ein Angebot mit allen Preisangaben, bevor Sie verbindlich bestellen.
Hinweis:
Für diesen Artikel kann kein Gesamtpreis berechnet werden. Daher wird aus Ihrem Warenkorb eine Anfrage und Sie erhalten von uns schnellstens ein Angebot mit allen Preisangaben, bevor Sie verbindlich bestellen.
Hinweis:
Für diesen Artikel kann kein Gesamtpreis berechnet werden. Daher wird aus Ihrem Warenkorb eine Anfrage und Sie erhalten von uns schnellstens ein Angebot mit allen Preisangaben, bevor Sie verbindlich bestellen.
Hinweis:
Für diesen Artikel kann kein Gesamtpreis berechnet werden. Daher wird aus Ihrem Warenkorb eine Anfrage und Sie erhalten von uns schnellstens ein Angebot mit allen Preisangaben, bevor Sie verbindlich bestellen.




Starke Verbindungen für eine sichere Zukunft: Unsere PE-Formteile für zuverlässige Schweißlösungen



 
PE-Formteile mit langen schweißenden SDR 11/17 in Schwarz - Perfekte Lösungen für Heizelement-Stumpf-Schweißung und Heizwendel-Muffen-Schweißung

Sie suchen nach hochwertigen PE-Formteilen für Ihre Heizungs- oder Rohrleitungssysteme? Unsere spritzgegossenen PE-Formteile sind die ideale Wahl. Sie bestechen durch herausragende physikalische und mechanische Eigenschaften, die ihnen vielseitige Einsatzmöglichkeiten verleihen. Dank ihrer feinen Oberflächenstruktur eignen sich unsere PE-Formteile perfekt für den Transport von Gasen und Flüssigkeiten. Zudem bieten sie eine ausgezeichnete UV-Beständigkeit, sodass eine Installation im Freien ohne zusätzliche Schutzmaßnahmen problemlos möglich ist. Seit vielen Jahrzehnten haben sich unsere Formteile in der Gas- und Wasserversorgung bewährt und überzeugen durch ihre Langlebigkeit und Zuverlässigkeit.

Unsere PE-Formteile bestehen aus hochwertigem Polyethylen (PE100), das gemäß der Mindestlangzeitfestigkeit (MRS) klassifiziert ist. In Schwarz gehalten, erfüllen unsere Formteile die Anforderungen der aktuellen KTW-Richtlinie des Umweltbundesamtes (UBA). Sie entsprechen den Normen EN 1555 für die Gasversorgung und EN 12201 für die Trinkwasserversorgung, sodass Sie sich auf ihre Qualität und Sicherheit verlassen können.

Die PE-Formteile weisen eine Reihe beeindruckender Eigenschaften auf. Sie sind leicht im Gewicht, chemisch beständig und überzeugen mit hoher Schlagzähigkeit auch bei niedrigen Temperaturen. Zudem sind sie korrosionsbeständig und zeigen eine ausgezeichnete Beständigkeit gegenüber Licht, Witterungseinflüssen und Abrieb. Diese Eigenschaften machen sie zu einer zuverlässigen Wahl für verschiedenste Anwendungen.

Die geometrischen Eigenschaften unserer PE-Formteile entsprechen den Normen EN 1555 und EN 12201 hinsichtlich des Außendurchmessers und der Wanddicke. Die Toleranzen bei den Z-Maßangaben variieren je nach Dimension. Bei einem Durchmesser kleiner oder gleich 160 mm beträgt die Toleranz +/- 3 mm, während sie ab einem Durchmesser von 180 mm +/- 10 mm beträgt.

Die PE-Formteile lassen sich sowohl für Heizelement-Stumpf-Schweißung als auch für Heizwendel-Muffen-Schweißung gemäß der DVS-Richtlinie 2207 verwenden. Um eine sichere und zuverlässige Schweißverbindung zu gewährleisten, empfehlen wir den Einsatz von Schweißgeräten und -werkzeugen, die der DVS-Richtlinie 2208 entsprechen.

Unser Partner Bänninger ist ein angesehenes Unternehmen mit langjähriger Erfahrung und Kompetenz in den Bereichen Werkstoffe, Fertigung, Qualität, Anwendung, Support und Logistik. Durch diese starke Partnerschaft können wir Ihnen ein umfangreiches Sortiment an hochwertigen Produkten und erstklassigen Serviceleistungen bieten. Vertrauen Sie auf unsere Expertise und kontaktieren Sie uns noch heute, um gemeinsam die perfekte Lösung für Ihre  Rohrleitungssysteme zu finden. Mit unseren PE-Formteilen und der Unterstützung von Bänninger sind Sie bestens gerüstet für effiziente und zuverlässige Installationen.





Ihre Wünsche, unsere Lösungen - Ein umfangreiches Lieferprogramm nach Maß.



Kunststoffrohrsysteme


Rohrsysteme aus Kunststoff im Überblick
Technische Informationen ABS Rohrsysteme
Technische Informationen PVC  U Rohrsysteme
Technische Informationen PVC  U Transparent Rohrsysteme
Technische Informationen PVC  C Rohrsysteme
Technische Informationen PP Rohrsysteme
Technische Informationen PP-R Rohrsysteme
Technische Informationen PE Rohrsysteme
Technische Informationen PVDF Rohrsysteme

Chemiedur


Technische Informationen UP-GF (GFK) Rohrsysteme
UP-GF (GFK) Rohre
UP-GF (GFK) Formteile und Verbindungen
UP-GF-PP (GFK) Formteile und Verbindungen
UP-GF (GFK) Klebebunde
UP-GF (GFK) Losflansche
PP/GFK Schmutzfänger DN 200 - DN 500
GFK/CSS  Schmutzfänger DN 200 - DN 500
PP/GFK  Schrägsitzschmutzfänger DN 200 - DN 400
GFK und PP/GFK Mannlochdeckel DN 500 - DN 800


Kunststoffrohre


Rohrzuschnitssrechner
Sägehinweise Kunststoffrohre
Kunststoffrohr - Restebörse
Normung - Kunststoffrohre und Formteile
PVC U Rohrabweichungen
Druckverlust PVCU, PVCC und ABS Rohrsysteme
Unterschied Rp, R und G Gewinde
Schraubenlängen für Flanschverbindungen
Dichtungen: PTFE, NBR, FKM, EPDM

Kunststoffarmaturen


PVC U Transparent Kugelhahn
Membranventile
Blockventile
Absperrklappen
Nadelventile aus Kunststoff



 

Kunststoffarmaturen nach ATEX


ATEX-Leitlinien allgemein
Neue EU Richtlinie 2014/34/EU
Kunststoffarmaturen in Ex-Zonen
Schmutzfänger PP-EL DN 15 - DN 50
Rückschlagventil PP-EL DN 15 - DN 50
Schrägsitzventil PP-EL DN 15 - DN 50

Kleben von Kunststoffrohren


Klebeanleitung
Klebeanleitung per Video

Kunststoffschweißen


Hinweise zum Extrusionsschweissen


Gitterroste / Tragroste


GFK Gitterroste
Gitterroste PP -el elektrisch Leitfähig
Profiltragroste PP -el elektrisch Leitfähig


Lüftungsformteile


Lüftungstechnik
Revisionsdeckel für Lüftungskanäle
Luftstromüberwachung


Chemieschlauch


PVC Transparentschlauch mit Textileinlage


Industrie- und Chemiebehälter


Dosierbehälter-Konfigurator
Dosierbehälter  und Überbehälter 35 – 1000 Liter
Salzlösebehälter 60 -5000 Liter
Lagerbehälter & Bottiche
Lagerbehälter für Wasser
Sicherheits- und Auffangwannen
Lieferprogramm Industriebehälter
Dosierbehälter mit Rührwerk
Rührwerk für Dosierbehälter
Dosierbehälter mit Anbauvarianten
Dosierbehälter aus Plattenmaterial
Chemiebehälter - Kundenlösungen
Dosierbehälter mit Füllstandsanzeigen
GFK Behälter für den schweren Chemieeinsatz



 

IBC TANK / CONTAINER


IBC Schraubdeckel DN 150/DN 200
IBC Adapter aus PE
IBC Adapter aus PP
MULTI FLEX BLOCK für IBC Bulk Container
Sauglanze für MULTI FLEX BLOCK und IBC Bulk Container
Heizhaube für IBC Bulk Container

Anwendungsbeispiele
MULTI FLEX BLOCK


Legionellen in Rückkühlwerken


Anbauteile für den Behälterbau


Säuredunstscheider
CO2 - Absorber
Fallbeispiel CO2 - Absorber
Mannlochdeckel
Revisionsstutzen
Blockflansche
Klöpperboden aus PP-CPK, PE-SK, PVDF-geätzt, PVC U und PVC-C


Filtergehäuse und Filterkerzen


PENTEK 3G Slime Line Gehäuse
PENTEK 3G Standard Filtergehäuse
PENTEK Big Blue Filtergehäuse
PENTEK PP Hochtemperatur Filtergehäuse
PENTEK PP Natur Filtergehäuse
PENTEK Filterbeutel für Big Blue Filtergehäuse
PENTEK Filtereinsätze für Oberflächenfiltration
PENTEK Filtereinsätze für Tiefenfiltration
PENTEK Filtereinsätze mit Aktivkohle
CINTROPUR Filtersysteme
CINTROPUR Wasserfilter
Enthärtungsanlage KAWK
Heizungswasser Umkehrosmose INDUWA


Flansch-Konfigurator


Blindflansch-Losflansch-Rechteckflansch

Chemische Beständigkeit


Beständigkeitsliste für Rohrsystemen aus Kunststoff

Kunststoffapparatebau


Tropfenabscheider aus PVC U, PP, PPs, PE und Verbundwerkstoffen

 

Kunststoff-Drehteile


Einlegteile
Einschraubteile
Gewindefittings
Verschraubungen

Kunststoff-Frästeile


Los- und Blindflansche aus Platten


Statische Mischer


Statische Mischer aus Kunststoff


Kompensatoren


Kompensatoren für Kunststoffrohrsysteme


Schmutzfänger


Einzel- und Doppelschmutzfänger
Topfschmutzfänger DN 300
Schrägsitzschmutzfänger DN 500


Durchflussmesser


Schwebekörperdurchflussmesser
Konfigurator für Durchflussmesser
Messwertgeber für Schwebekörperdurchflussmesser
Nebenstrom - Durchflussmesser


Filterpressen


Laborfilterpresse


Spritzgussteile


Schaber aus PE für Filterpressen


Kwerk Praxis Blog


Hier bloggt das Kwerk Team aus der Praxis


Westerwald - Spezial


Westerwälder Säurekitt


Kwerk GmbH International


Unsere Webseite in Englisch


Partnerschaft auf höchstem Niveau


 
         
 
 
 
       
 
 
         
 
DETAIL-INFORMATIONEN
DATENBLATT KOMPAKT
DOWNLOADS
CAD-FILES
keine CAD-Dateien vorhanden
ONLINE-TOOLS
ANGEBOT ANFORDERN
PROJEKT-ANFRAGE STARTEN